Главная >> Задачник по физике 8 класс. Генденштейн

Электромагнитные явления

Работа и мощность тока
Третий уровень

17.38. Можно ли включать в сеть напряжением 220 В две последовательно соединенные лампы, на которых написано: «25 Вт, 110 В» и «100 Вт, 110 В»?

17.39. Как следует подключить к источнику постоянного напряжения пять резисторов с разным сопротивлением, чтобы получить максимальное количество теплоты за 1 мин?

17.40. На часть раскаленной спирали электроплитки попала вода. Как изменился накал тех участков спирали, на которые вода не попала? При решении учтите зависимость сопротивления металла от температуры.

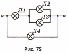
17.41. Какая из одинаковых ламп (рис. 75) горит ярче других? Какая (какие) — тусклее?

    Рис. 75

17.42. Елочная гирлянда, включенная в сеть напряжением 220 В, состоит из одинаковых ламп, на которых написано: «4 В, 2 Вт». Какова мощность тока в гирлянде при нормальном накале ламп? Если лампа перегорает, число ламп в гирлянде уменьшается. Какой станет мощность тока в гирлянде после того, как перегорят пять ламп1? Во сколько раз изменится мощность тока в каждой лампе?

    1 В задачах 17.42—17.45 зависимость сопротивления ламп от накала не учитывайте.

17.43. Помещение освещают четыре последовательно соединенные лампы, на каждой из которых написано: «12 В, 25 Вт». Лампы горят нормальным накалом. Одна из ламп перегорела; ее заменили лампой, на которой написано: «12 В, 40 Вт». Будет ли новая лампа светить ярче других? Увеличится или уменьшится общая мощность тока?

17.44. Определите мощность каждой из ламп (см. предыдущую задачу) после замены перегоревшей лампы. Во сколько раз изменилась после этой замены полная мощность ламп?

17.45. Шесть одинаковых ламп последовательно включены в сеть напряжением 42 В. Мощность каждой из ламп 20 Вт. На сколько изменится общая мощность тока, если одну из ламп заменить новой, на которой написано: «9 В, 12 Вт»?

17.46. На одной лампе написано: «220 В, 40 Вт», а на другой (лампе для карманного фонарика) — «4 В, 1 Вт». Что произойдет, если эти лампы соединить последовательно и включить в сеть напряжением 220 В? Что изменится, если 40-ваттную лампу заменить на 100-ваттную?

17.47. Найдите мощность тока в каждом из одинаковых резисторов сопротивлением по 20 Ом (рис. 76). Напряжение источника 15 В.

    Рис. 76

17.48. Каково показание амперметра и мощность тока в цепи (рис. 77), если напряжение U = 16 В, а сопротивление резисторов R1 = 30 Ом, R2 = 60 В, R3 = 40 Ом, R4 = 120 Ом?

    Рис. 77

17.49. Какой из резисторов (рис. 78) потребляет больше энергии, если их сопротивление R2 = R3 = 2R1, R4 = 4R1?

    Рис. 78

17.50. Если два резистора подключены последовательно к источнику постоянного напряжения, то мощность тока в цепи 4 Вт; если те же резисторы подключены к этому источнику параллельно, то мощность тока 18 Вт. Какова будет мощность тока в каждом из резисторов, если их поочередно подключать к тому же источнику напряжения?

17.51. На электрической лампе написано: «9 В, 12 Вт». Как подключить эту лампу к источнику постоянного напряжения 18 В, чтобы она горела нормальным накалом? В вашем распоряжении достаточное число ламп, на которых написано: «9 В, 4 Вт».

17.52. Во сколько раз изменится мощность тока в каждом из резисторов R1, R2, R3 (рис. 79), если замкнуть ключ? Все резисторы одинаковы, напряжение в цепи считайте постоянным.

    Рис. 79

17.53. Во сколько раз изменится мощность тока в лампах Л1 и Л2 (рис. 80) и общая мощность тока, если лампа ЛЗ перегорит? Все лампы одинаковы. Напряжение в цепи считайте постоянным, зависимость сопротивления ламп от температуры не учитывайте.

    Рис. 80

17.54. Какова мощность тока в каждом из резисторов (рис. 81), если напряжение на источнике тока 12 В, а сопротивление резисторов R1 = R2 = R3 = R4 = 40 Ом?

    Рис. 81

17.55. Электровоз, работающий при напряжении U = 3 кВ и силе тока I = 1,6 кА, развивает при скорости υ = 43 км/ч силу тяги F = 340 кН. Каков КПД двигателей электровоза?

17.56. Транспортер за время 1 мин поднимает груз массой 300 кг на высоту 8 м. КПД транспортера 60 %. Определите силу тока в электродвигателе транспортера, если напряжение в сети 380 В. Считайте, что g = 10 Н/кг.

17.57. Каков КПД электродвигателя, который за 20 с поднимает груз массой 150 кг на высоту 12 м? Напряжение в электрической сети 380 В, сила тока в двигателе 4 А. Считайте, что g = 10 Н/кг.

17.58. Электрический нагреватель за 20 мин доводит до кипения воду массой 3 кг, начальная температура которой 10 °С. Сила тока в нагревателе 7 А, напряжение в сети 220 В. Какая часть потребляемой нагревателем энергии передается окружающей среде?

КРЕПКИЕ ОРЕШКИ

17.59. Сколько витков изолированной никелиновой проволоки надо намотать на фарфоровый цилиндр диаметром 1,5 см, чтобы изготовить кипятильник, с помощью которого можно за 10 мин довести до кипения 2 л воды, взятой при температуре 20 °С? Диаметр проволоки 0,2 мм, напряжение сети 220 В. Считайте, что 60 % выделяющейся энергии идет на нагревание воды.

17.60. Электрический чайник имеет две обмотки. При включении первой вода закипает через 12 мин, при включении обеих обмоток последовательно — через 36 мин. Через какое время закипит вода в чайнике, если включить только вторую обмотку? обе обмотки параллельно? Теплообмен с окружающей средой не учитывайте.

17.61. В электрическом нагревателе есть два резистора сопротивлением 100 и 200 Ом. За какое время этим нагревателем можно довести 3 л воды от комнатной температуры (20 °С) до кипения, если:

    а) включен только первый резистор;
    б) включен только второй резистор;
    в) резисторы включены последовательно;
    г) резисторы включены параллельно?

Потери тепла не учитывайте. Напряжение в сети 220 В.

17.62. В вашем распоряжении ключ и две лампы. На лампе Л1 написано: «220 В, 150 Вт», на лампе Л2 — «220 В, 15 Вт». Попробуйте составить такую цепь, чтобы при замыкании или размыкании ключа одна из ламп гасла, а другая зажигалась.

<<< 2 уровень      Ответы >>>

 

 

???????@Mail.ru