Главная >> Машиностроительное черчение. Инженерная графика. Чекмарев

Изображения. Надписи. Обозначения

Условности и упрощения

В целях уменьшения трудоемкости разработки чертежей или уменьшения расхода бумаги на их оформление стандартами допускаются некоторые условности и упрощения. Рассмотрим те из них, которые существенны для выполнения или чтения чертежей.

Если вид, разрез или сечение представляет симметричную фигуру, допускается вычерчивать половину изображения или немного более половины изображения с проведением в последнем случае волнистой линии. С учетом этой условности, например, на рис. 5.30 на виде слева показано немного более его половины.

Допускается вычерчивать половину изображения

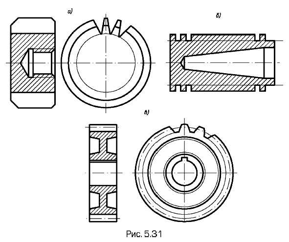
Если предмет имеет несколько одинаковых, равномерно расположенных элементов, то на изображении этого предмета полностью показывают один-два таких элемента, а остальные элементы показывают упрощенно или условно. В качестве примеров на рис. 5.31 приведены изображения радиатора а охлаждения, коллектора электронов б мощного электронного прибора с развитой наружной поверхностью охлаждения в виде кольцевых ребер прямоугольного профиля. На рис. 5.31, в приведен чертеж зубчатого колеса с наружным зубчатым венцом, форма зубьев показана на виде слева.

Элементы показывают упрощенно или условно

На видах и разрезах допускается упрощенно изображать проекции линий пересечения поверхностей, если не требуется точного их построения. Например, вместо лекальных кривых проводят дуги окружности и прямые линии.

Так, на чертежах пружин винтовые линии проводят как прямые (см., например, изображение витков пружины за секущей плоскостью на рис. 5.16). Аналогично изображены витки подогревателя катода электровакуумного прибора (рис. 5.32, а) и индуктора (рис. 5.32, б) для нагрева током высокой частоты, охлаждаемого водой.

Винтовые линии

Плавный переход от одной поверхности к другой показывают условно тонкой линией, например от конических поверхностей к цилиндру на рис. 5.28, а, б (радиус перехода R...), или совсем не показывают.

Такие детали, как винты, заклепки, шпонки, непустотелые валы и шпиндели, шатуны, рукоятки и т.п., при продольном разрезе показывают нерассеченными. Шарики всегда показывают нерассеченными. Как правило, показывают нерассеченными на сборочных чертежах гайки и шайбы.

Окончание параграфа >>>

 

 

???????@Mail.ru