Главная >> Машиностроительное черчение. Инженерная графика. Чекмарев

Аксонометрические проекции деталей

Изометрическая проекция (окончание)

Изометрия окружности

Окружности в изометрии изображаются в виде эллипсов (рис. 6.8) с указанием величин осей эллипсов для приведенных коэффициентов искажения, равных единице.

Большая ось эллипсов расположена под углом 90° для эллипсов, лежащих в плоскости xOz к оси у, в плоскости yOz к оси х, в плоскости xOy к оси z.

Изометрия окружности

При построении изометрического изображения от руки (как рисунка) эллипс выполняют по восьми точкам. Например, по точкам 1, 2, 3, 4, 5, 6, 7 и 8 (см. рис. 6.8). Точки 1, 2, 3 и 4 находят на соответствующих аксонометрических осях, а точки 5, 6, 7 и 8 строят по величинам соответствующих большой и малой осей элипса. При вычерчивании эллипсы в изометрической проекции можно заменять овалами и строить их следующим образом1. Построение показано на рис. 6.8 на примере эллипса, лежащего в плоскости xOz. Из точки 1 как из центра, делают засечку радиусом R = D на продолжении малой оси эллипса в точке О1 (строят также аналогичным образом и симметричную ей точку, которая на чертеже не показана). Из точки O1 как из центра проводят дугу CGC радиуса D, которая является одной из дуг, составляющих контур эллипса. Из точки О2 как из центра проводят дугу радиуса O2G до пересечения с большой осью эллипса в точках О3. Проводя через точки О1, O3 прямую, находят в пересечении с дугой CGCточку K, которая определяет O3K — величину радиуса замыкающей дуги овала. Точки K являются также точками сопряжения дуг, составляющих овал.

    1 Предложено Ю.Б. Ивановым.

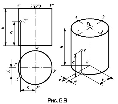
Изометрия цилиндра

Изометрическое изображение цилиндра определяется изометрическими изображениями окружностей его основания. Построение в изометрии цилиндра высотой Н по ортогональному чертежу (рис. 6.9, слева) и точки С на его боковой поверхности показано на рис. 6.9, справа.

Изометрия цилиндра

Пример построения в изометрической проекции круглого фланца с четырьмя цилиндрическими отверстиями и одним треугольным приведен на рис. 6.10. При построении осей цилиндрических отверстий, а также ребер треугольного отверстия использованы их координаты, например координаты х0 и y0.

Построение в изометрической проекции круглого фланца

<<< К началу параграфа                       Следующий параграф >>>

 

 

???????@Mail.ru