Главная >> Машиностроительное черчение. Инженерная графика. Чекмарев

Изображение и обозначение элементов деталей

Основные простые элементы деталей

Деталь в изделии выполняет определенные функции. Это обеспечивается геометрической формой детали и физико-химическими свойствами материала детали. Они получаются в ходе технологического процесса изготовления детали. В геометрической форме детали выделяют конструктивные элементы, которые выполняют рабочие функции детали, и технологические элементы, которые обеспечивают изготовление детали. Конструктивные элементы являются основными.

Кроме конструктивных и технологических элементов некоторые детали имеют информационные элементы, например таблички, надписи, указатели и т.п.

Геометрическую форму простого элемента детали образует отсек одной поверхности, во многих случаях совпадающий с формами основных геометрических тел. Форму сложного элемента образуют два (или более) отсека поверхностей. Некоторые элементы, выполняющие разные функции, могут иметь одинаковую форму и одинаковые изображения с одинаково нанесенными размерами формы, положения и ориентации.

Размеры формы элемента детали рекомендуется располагать на том изображении детали, на котором геометрическая форма элемента показана наиболее полно.

Во многих случаях форму, положение и ориентацию элемента показывают на одном изображении. Однако в ряде случаев необходимо выполнить специальные изображения, чтобы показать положение и ориентацию элемента, а также нанести соответствующие размеры или в отдельных случаях только отклонения этих размеров.

Размеры положения и ориентации элементов деталей наносят от основной или вспомогательной баз детали. Ими служат основной базовый элемент, на котором базируется сама деталь, или вспомогательные базовые элементы, являющиеся базами для других деталей.

Выбираемый порядок простановки размеров тесно связан с теорией базирования, некоторые элементы которой и рассмотрим. Базированием называют придание заготовке или изделию требуемого положения, относительно выбранной системы координат. База — это поверхность или выполняющее ту же функцию сочетание поверхностей, ось, точка, принадлежащая заготовке или изделию и используемая для базирования. Примеры баз приведены на рис. 7.1, а — е, где 1 — база, 2 — деталь, 3 — заготовка, 4 — губки самоцентрирующих тисков, 5 — центрирующий конус приспособления. Базовые поверхности отмечены утолщенными линиями. На рис. 7.1 базами являются: а и б — поверхности (плоскость и цилиндр): в и г — сочетание поверхностей (двух параллельных плоскостей, двух соосных цилиндров); д — ось цилиндрической заготовки; е —точка (центр окружности в нижнем сечении цилиндрического отверстия в плоскости опорного торца). По характеру проявления базы подразделяют на скрытые и явные. Скрытая база — это база заготовки или изделия в виде воображаемой плоскости, оси или точки. Так, например, для кронштейна (см. рис. 5.44) скрытыми базами являются ось цилиндрической опорной поверхности диаметром 50 мм и фронтальная плоскость симметрии детали. Явная база — это база в виде реальной поверхности, разметочной риски или точки пересечений рисок. Явной базой у того же кронштейна (см. рис. 5.44) является опорная цилиндрическая поверхность диаметром 50 мм.

Базовые поверхности отмечены утолщенными линиями

По назначению различают базы конструкторские, технологические и измерительные. Конструкторская база — это база, используемая для определения положения детали или сборочной единицы в изделии. Технологическая база — это база, используемая для определения положения заготовки или изделия в процессе изготовления или ремонта. Измерительную базу используют для определения относительного положения заготовки или изделия и средств измерения.

В соответствии с рассмотренными понятиями о базах различают три системы простановки размеров:

    1) от конструкторских баз;

    2) от технологических баз;

    3) комбинированную, в которой часть размеров ставят от конструкторских баз, другие — от технологических.

Комбинированная система наиболее целесообразна, так как практически обычно от конструкторских баз требуется проставить небольшое количество размеров (10...20%). Эти размеры, влияющие на качество работы детали и прибора или машины в целом, выполняют с высокой точностью. Большую часть размеров проставляют от технологических баз в целях обеспечения простоты изготовления и измерения деталей.

Следует отметить, что в ряде случаев конструкторские и технологические базы совпадают, например ось вращения для деталей, ограниченных соосными поверхностями вращения. Материализуют такую базу, например, с помощью центровых гнезд конической формы со стороны крайних торцов детали. Совмещение конструкторской и технологической баз, а также измерительной является одним из важных принципов конструирования — принципом единства баз.

В рассмотренных выше чертежах деталей для размеров длин использована в основном вторая система простановки размеров от технологических баз.

Простановка размеров от конструкторских баз будет рассмотрена ниже.

Размеры формы элемента

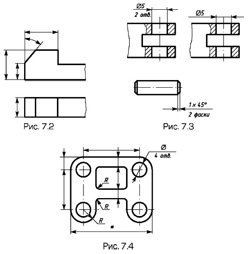
Размеры, определяющие форму любого элемента, включая отверстия, следует наносить на том изображении детали, где эта форма показана наиболее полно, обязательно группируя все размеры в одном месте (рис. 7.2).

Размеры одинаковых элементов наносят на изображении одного из них, а под полкой выносной линии указывают число элементов (рис. 7.3). Размеры формы и положения симметрично расположенных элементов (кроме отверстий) можно наносить только один раз без указания их числа (рис. 7.4).

Размеры формы элемента

Размеры на фаски, канавки для выхода инструмента, проточки, выточки и подобные элементы необходимо наносить на отдельном изображении. Их не следует включать в размерные цепи.

Окончание параграфа >>>

 

 

???????@Mail.ru