Главная >> Машиностроительное черчение. Инженерная графика. Чекмарев

Изображение и обозначение элементов деталей

Изображение отверстий и однотипных элементов (продолжение)

Обозначение отверстий

Когда изображение отверстий на чертеже имеет размеры 2 мм и менее, рекомендуется их указывать на полке линии-выноски. Так же следует поступать при отсутствии изображения отверстия в разрезе вдоль оси. Соответствующие примеры даны на рис. 7.18 и 7.19.

На рис. 7.18 показаны: а, б, в, г — глухие отверстия диаметром 3, глубиной 6 мм и диаметром 5 и глубиной 7 мм; д, е, ж, з — 2 отверстия диаметром 10 мм с зенковкой 1 х 45° и 3 отверстия диаметром 6 мм с цилиндрической зенковкой диаметром 12 и глубиной 5 мм.

На рис. 7.19 показаны резьбовые отверстия: а, б — сквозное отверстие с резьбой М10; в, г — глухое резьбовое гнездо с резьбой М8 с шагом резьбы 1 мм, длиной отверстия с полным профилем резьбы 10 мм и глубиной сверления 16 мм; д, е — глухое резьбовое гнездо с резьбой М6 и длиной резьбы с полным профилем резьбы 10 мм, с зенковкой под 90° глубиной 1 мм; ж, з — сквозное отверстие с резьбой М12 и зенковкой диаметром 18 мм под углом 90°.

Принятая система обозначений позволяет давать в строчной записи размеры отверстий и элементов, входящих в их структуру. Различные формы головок, концов винтов, зенковок под головки винтов и отверстий под концы установочных винтов стандартизованы.

Обозначение отверстий

Сквозные квадратные и продолговатые отверстия выполняют в деталях типа корпусов и плит, имеющих линейное или угловое перемещение. В отверстиях размещают стержень крепежной детали (болта, винта, шпильки).

Отверстия изображают в двух проекциях: на продольном полном или местном разрезе и на виде сверху (рис. 7.20). На виде сверху обычно показывают размеры формы — длину, ширину и радиус скругления — и размер положения; на продольном разрезе — толщину детали.

Сквозные дуговые отверстия выполняют в деталях, имеющих круговое установочное перемещение (рис. 7.21).

Сквозные квадратные и продолговатые отверстия

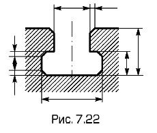
Т-образные обработанные прямые пазы выполняют в деталях типа столов, плит для закрепления на них приспособлений, имеющих линейное установочное перемещение, обрабатываемых деталей и т.п. В пазах размещают головки специальных болтов.

Для изображения пазов достаточно одной проекции, на которой проставляют все размеры формы, а от оси симметрии — размер положения (рис. 7.22). Размеры Т-образных обработанных пазов стандартизованы.

Т-образные обработанные прямые пазы

Т-образные обработанные кольцевые пазы выполняют в деталях типа поворотных столов, плит и др. для закрепления на них приспособлений, имеющих круговое установочное перемещение.

Кольцевые пазы изображают в двух проекциях: на поперечном разрезе и виде сверху (рис. 7.23). На поперечном разрезе наносят размеры формы, относящиеся к профилю паза; на виде сверху — радиус оси симметрии паза (он же, как правило, является размером положения).

Т-образные обработанные кольцевые пазы

<<< К началу параграфа                       Окончание параграфа >>>

 

 

???????@Mail.ru