Главная >> Машиностроительное черчение. Инженерная графика. Чекмарев

Изображение и обозначение резьбы и резьбовых соединений

Резьбовые соединения и их детали

Резьбовые соединения

Резьбовые соединения обычно подразделяют на два типа:

    а) соединения, осуществляемые непосредственным свинчиванием соединяемых деталей, без применения специальных соединительных частей;

    б) соединения, осуществляемые с помощью специальных соединительных деталей, таких как болты, винты, шпильки, фитинги и др.

Во многих случаях резьбовое соединение используют в качестве элемента другого соединения, в котором резьбовое соединение создает большое осевое усилие. Так, в конструкции вакуумно-плотного фланцевого соединения (см. рис. 13,1, а) четыре болтовых соединения сжимают фланцы по торцам вдоль оси, а вакуумную плотность соединения обеспечивает конструкция торцовых частей фланцев 1 и 2 в виде острого зуба и канавки с зажимаемой между ними прокладкой 3 из пластичного металла (меди, алюминия).

Болтовое соединение

В комплект болтового соединения (рис. 8.21) входят следующие крепежные детали (крепежные изделия): 1 — болт, 2 — гайка, 3 — шайба. Указанные крепежные детали имеют различную форму и размеры. При конструировании приборов и машин применяют, как правило, только стандартизованные крепежные детали.

Болтовое соединение

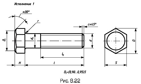
Болт (рис. 8.22) представляет собой цилиндрический стержень с резьбой на одном конце и головкой на другом (чаще всего в виде шестигранной призмы). При соединении скрепляемых деталей на резьбу болта навертывается гайка. Головку болта обрабатывают с торца на конус (этот элемент называют фаской). Фаску выполняют и на стержне для удобства нарезания резьбы и устранения непрочной части крайнего витка. Указанные фаски на рис. 8.22 заданы диаметром D1 и углом 30° на головке и обозначением с х 45° на стержне (с — величина фаски, обычно равна шагу p резьбы). Обозначение диаметра d на рис. 8.22 на чертежах болтов заменяют на обозначение резьбы.

Болт

Обычно болты применяются для соединения деталей не очень большой толщины (фланцев и др.) и при необходимости частого соединения и разъединения деталей по условиям их эксплуатации.

Выпускаемые промышленностью болты различают по форме и размерам головки, по форме стержня, по шагу резьбы, по характеру исполнения, по точности изготовления.

В зависимости от назначения и условий работы болты выполняют с шестигранными, полукруглыми и потайными головками. На различные формы болтов разработаны и утверждены свои стандарты.

Болты с шестигранными головками получили наибольшее распространение. Их изготавливают нормальной, повышенной и грубой точности, они имеют от трех до пяти вариантов исполнения. Вариант исполнения 1 приведен на рис. 8.22 Эти болты стандартизованы в ГОСТ 7798—70. Обычно их рекомендуют использовать и в учебном процессе.

Стандартное условное обозначение болта, которое записывают в технической документации и применяют в литературе, содержит основные конструктивные размеры. Например, запись «Болт М12х60 ГОСТ 7798—70» обозначает, что болт имеет метрическую резьбу диаметром 12 мм с крупным шагом, длину стержня 60 мм, головку шестигранную, исполнение 1. Изображение болта такой же конструкции в соединении с другими деталями, с диаметром резьбы 36 мм с крупным шагом и длиной стержня 120 мм — см. рис. 8.21.

Гайка — деталь, имеющая отверстие с резьбой для навинчивания на болт или шпильку (рис. 8.23). Гайки различают: по форме наружной поверхности; по виду исполнения; по типу резьбы; по точности изготовления.

Гайка

По форме наружной поверхности гайки выполняют шестигранными, шестигранными прорезными, корончатыми, круглыми, барашковыми и др. По высоте шестигранные гайки различают нормальной высоты, низкие, высокие и особо высокие. Кроме того, гайки выпускают с уменьшенным размером «под ключ». Гайки изготавливают нормальной, повышенной и грубой точности.

По виду резьбы гайки различают с метрической резьбой с крупным или мелким шагом.

Фаску выполняют для срезания острых кромок углов шестигранной призмы, которые могут служить причиной порезов.

Выбор типа гайки зависит от назначения конструкции и условий работы.

Условное обозначение гайки содержит размер резьбы и номер стандарта, устанавливающего конструкцию. Например, запись «Гайка М12 ГОСТ 5915—70» обозначает, что гайка имеет диаметр метрической резьбы 12 мм с крупным шагом, шестигранная, нормальной точности. Изображение гайки с метрической резьбой диаметром 36 мм в соединении с другими деталями — см. рис. 8.21.

На чертежах сборочных единиц стандартами допускается шестигранные гайки и головки болтов с фасками изображать без фасок. Эти изображения менее трудоемки, но и менее наглядны. Поэтому в выполняемых в учебном процессе чертежах их обычно не применяют. При указанном упрощенном изображении о наличии фасок судят по обозначению гайки или болта.

Шайба — деталь, закладываемая под гайку или головку болта (винта) и предназначенная для передачи и распределения усилий на соединяемые детали или для предотвращения их самоотвинчивания (стопорения). Чертеж стандартных круглых шайб с обозначениями основных размеров приведен на рис. 8.24.

Шайба

Шайбы разделяются на шайбы круглые, пружинные, стопорные и др.

Шайбы круглые имеют несколько видов: шайбы обычные нормального ряда по ГОСТ 11371—78, шайбы увеличенные, шайбы уменьшенные. Шайбы нормального ряда имеют два исполнения: исполнение 1 без фаски, исполнение 2 с фасками (см. рис. 8.24).

Пример условного обозначения шайбы для крепежной детали исполнения 1, диаметром 12 мм, установленной толщины, из материала группы 01, с покрытием 01 толщиной 9 мкм:

Шайба 12.01.019 ГОСТ 11371-78.

Для аналогичной шайбы, но исполнения 2 обозначение будет:

Шайба 2.12.01.019ГОСТ 11371-78.

Шайбы пружинные (ГОСТ 6402—70) предохраняют гайку от самоотвинчивания при толчках и сотрясениях (рис. 8.25).

Шайбы пружинные

Пружинные шайбы разделяются на типы: легкие (Л), нормальные (Н), тяжелые (Т) и особо тяжелые (ОТ).

Условное обозначение пружинных шайб после диаметра резьбы содержит обозначение типа (обозначение «Н» не указывают). Например, запись «Шайба пружинная 12 ГОСТ 6402—70» обозначает, что шайба пружинная, нормальная, для винта диаметром 12 мм.

Продолжение параграфа >>>

 

 

???????@Mail.ru