Главная >> Сборник задач по физике 7-9 кл. Перышкин. Ответы

Электрические явления

Последовательное соединение проводников

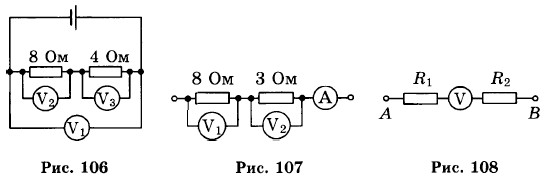
1075. На рисунке 106 вольтметр V1 показывает напряжение 120 В. Определите показания вольтметров V2 и V3.

1076. Вольтметр V1 показывает напряжение 16 В (рис. 107). Каковы показания амперметра и вольтметра V2?

1077. На рисунке 108 изображен участок цепи АВ с последовательно соединенными сопротивлениями В1 = 2 Ом и В2 = 23 Ом. Сопротивление вольтметра 125 Ом. Каково показание вольтметра, если напряжение между точками А и В равно 12 В?

участок цепи

1078. В сеть с напряжением 220 В включается елочная гирлянда с последовательно соединенными одинаковыми лампочками, каждая из которых рассчитана на напряжение 10 В. Сколько лампочек в гирлянде?

Какова сила тока в цепи?

1079. Вольтметр, подключенный к источнику тока (рис. 109), показывает напряжение 5 В. Какова сила тока в цепи?

1080. Вольтметр, подключенный к батарее (см. рис. 109), показывает напряжение 40 В. Определите напряжение на всех сопротивлениях в цепи.

1081. Маленькая электрическая лампочка для елочной гирлянды рассчитана на ток в 0,3 А и имеет сопротивление 20 Ом. Сколько таких лампочек надо соединить последовательно, чтобы гирлянду можно было включить в сеть с напряжением 220 В?

1082. Вольтова дуга, требующая для горения напряжение 45 В при силе тока 20 А, включается в цепь с напряжением 110 В. Чему должно равняться сопротивление реостата, включенного последовательно в данную цепь для поглощения излишнего напряжения?

1083. Проводник АВ (рис. 110) имеет длину 1 м. На его концах напряжение 20 В. Определите напряжение между точками С и D и точками А и Е.

1084. На рисунке 111 изображена цепь с никелиновым проводом АВ длиной 10 м и сечением 1 мм2. Через провод пропущен электрический ток силой 2 А. Рассчитайте напряжение на участках AA1, АА2, АА3, АВ и постройте график зависимости напряжения от длины проводника АВ, откладывая по горизонтальной оси длину проводника, а по вертикальной — напряжение на этой длине.

цепь с никелиновым проводом

1085. Магазин сопротивлений, сделанный из никелиновых проволок сечением 2 мм2 (рис. 112), рассчитан на общее сопротивление 20 Ом. Какой длины должны быть проволоки, чтобы при переводе переключателя с одного контакта на следующий сопротивление магазина увеличивалось на 2 Ом?

1086. В цепь последовательно включены два проводника из одного и того же материала сечениями S1 = 1 мм и S2 = 2 мм2, длины их равны. Определите напряжение на концах каждого проводника, если на концах цепи напряжение равно 120 В.

1087. Проводник состоит из трех последовательно соединенных проволок одинаковой длины. На рисунке 113 приведен график зависимости напряжения от длины проводника. Найдите отношение сопротивлений этих проволок.

Магазин сопротивлений, сделанный из никелиновых проволок

<<< К началу параграфа

 

 

???????@Mail.ru