Главная >> Электродинамика. Физика 10-11 класс. Мякишев

Глава 2. Постоянный электрический ток

§ 2.14. Закон Ома для полной цепи

В § 2.4 мы познакомились с законом Ома для участка цепи, не содержащего источник ЭДС. Пользуясь им, мы можем вычислить силу тока, если знаем напряжение на участке цепи и сопротивление участка. Закон Ома для полной цепи устанавливает зависимость между силой тока в цепи, ЭДС источника, питающего цепь, и полным сопротивлением цепи.

электрическую цепь

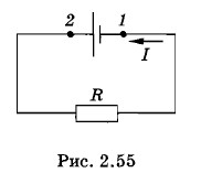
Рассмотрим простейшую полную (замкнутую) электрическую цепь (рис. 2.55), состоящую из источника тока (например, гальванического элемента или аккумулятора) и резистора сопротивлением R. Источник тока, имеющий ЭДС , обладает сопротивлением . Его называют внутренним сопротивлением источника в отличие от сопротивления R цепи, называемого внешним сопротивлением. В генераторе r — это сопротивление его обмоток (медных проводов), в гальваническом элементе или аккумуляторе — это сопротивление раствора электролита и электродов. Для получения закона Ома для полной цепи используем закон сохранения энергии.

Пусть за время Δt через поперечное сечение проводника пройдет заряд q. Тогда, согласно формуле (2.11.1), работа сторонних сил при перемещении заряда q равна Аст = q. Из определения силы тока I (2.2.5) имеем: q = IΔt. Следовательно,

Аст = IΔt.                     (2.14.1)

Благодаря работе сторонних сил при прохождении тока в цепи на ее внешнем и внутреннем участках выделяется количество теплоты, по закону Джоуля—Ленца равное:

Q = I2RΔt + I2rΔt.                     (2.14.2)

Согласно закону сохранения энергии Аст = Q поэтому

IΔt = I2RΔt + I2rΔt.

Отсюда

= IR + Ir.                     (2.14.3)

Произведение силы тока на сопротивление участка цепи называют падением напряжения на этом участке. Таким образом, ЭДС источника тока равна сумме падений напряжений на внешнем и внутреннем участках замкнутой цепи:

= U + U0,                     (2.14.4)

где U = IR — падение напряжения на внешнем участке цепи, a U0 = Ir — падение напряжения на внутреннем участке.

Из равенства (2.14.3) получаем:

Это и есть закон Ома для полной цепи. Сила тока в полной цепи равна отношению ЭДС источника к полному сопротивлению цепи.

Внутреннее сопротивление источника тока, если оно мало по сравнению с внешним сопротивлением (r << R), оказывает малое влияние на силу тока. Но при коротком замыкании, когда R ≈ 0, сила тока

очень велика, так как r мало. Например, при = 2 В и r = 0,1...0,004 Ом Iк.з = 20...2000 А. При такой силе тока провода могут расплавиться, а сам источник — выйти из строя.

Если цепь содержит несколько последовательно соединенных элементов (рис. 2.56) с ЭДС 1, 2, 3 и т. д., то полная ЭДС в цепи равна алгебраической сумме ЭДС отдельных элементов:

= 1 + 2 + 3 + ... + N.                     (2.14.7)

Для определения знака ЭДС отдельных элементов следует руководствоваться правилом, изложенным в §2.11. При выбранном (произвольно) направлении обхода против часовой стрелки для цепи, изображенной на рисунке 2.56, 1 > 0, 2, < 0 и 3 > 0, поэтому

= 1 + 2 + 3 = || - |2| + |3|.

Внутреннее сопротивление батареи, состоящей из последовательно соединенных элементов, равно сумме внутренних сопротивлений элементов:

r = r1 + r2 + r3 + ... + rN.                     (2.14.8)

Если батарея состоит из N одинаковых последовательно соединенных элементов с одинаковыми знаками ЭДС, то из формул (2.14.7) и (2.14.8) следует, что

где б и rб — ЭДС и внутреннее сопротивление батареи, а э и rэ — ЭДС и внутреннее сопротивление одного элемента.

Наиболее общую форму имеет закон Ома для участка цепи, содержащего ЭДС.

 

 

???????@Mail.ru