Главная >> Электродинамика. Физика 10-11 класс. Мякишев

Глава 3. Электрический ток в различных средах

§ 3.11. Электрический ток в вакууме

До открытия уникальных свойств полупроводников в радиотехнике использовались исключительно электронные лампы. В этих лампах, а также в электронно-лучевых трубках, широко используемых и сейчас, электроны движутся в вакууме. Как же получают потоки электронов в вакууме? Какими свойствами они обладают?

Когда говорят об электрическом токе в вакууме, то имеют в виду такую степень разрежения газа, при которой можно пренебречь соударениями между его молекулами. В этом случае средняя длина свободного пробега молекул больше размеров сосуда.

схема

Такой разреженный газ является изолятором, так как в нем нет (или почти нет) свободных заряженных частиц — носителей электрического тока.

На рисунке 3.27 изображена схема цепи, содержащей сосуд, из которого откачан воздух. В этот сосуд впаяны два электрода, один из которых (анод А) соединен с положительным полюсом источника тока (батарея G1), другой (катод К) — с отрицательным.

Несмотря на достаточно большое напряжение, которое обеспечивает источник тока (около 100 В), включенный в цепь чувствительный гальванометр не фиксирует тока; это указывает на отсутствие в вакууме свободных носителей заряда.

Электронная эмиссия

Электрический ток в вакууме будет существовать, если ввести в сосуд свободные носители заряда. Как это осуществить?

Наиболее просто проводимость межэлектродного промежутка в вакууме можно обеспечить с помощью электронной эмиссии с поверхности электродов. Электронная эмиссия возникает в случаях, когда часть электронов металла (электрода) приобретает в результате внешних воздействий энергию, достаточную для преодоления их связи с металлом (для совершения работы выхода Авых).

В § 3.8 мы уже познакомились с двумя видами электронной эмиссии: ионно-электронной эмиссией (при бомбардировке катода положительными ионами) и термоэлектронной эмиссией (испускание электронов с поверхности достаточно нагретого металла). Электроны испускаются также при воздействии на поверхность металла электромагнитным излучением. Такое явление называется фотоэлектронной эмиссией. И наконец, с поверхности металла испускаются электроны при бомбардировке ее быстрыми электронами. Это вторичная электронная эмиссия.

Все виды эмиссии широко используются для получения электрического тока в вакууме. Однако в большинстве современных электронных вакуумных приборов используется термоэлектронная эмиссия.

Получение электрического тока в вакууме

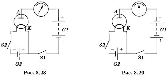
Посмотрим, как, используя термоэлектронную эмиссию, можно получить ток в вакууме. Для этой цели внесем изменения в цепь, схема которой изображена на рисунке 3.27. В качестве катода в вакуумном баллоне теперь впаяна вольфрамовая нить, концы которой выведены наружу и присоединены к источнику тока — батарее накала G2 (рис. 3.28). Замкнем ключ S2 и, когда вольфрамовая нить накалится, замкнем и ключ S1. Стрелка прибора при этом отклонится, в цепи появился ток. Значит, накаленная нить обеспечивает появление необходимых для существования тока носителей заряда — заряженных частиц.

С помощью опыта нетрудно убедиться, что эти частицы заряжены отрицательно.

Изменим полярность анодной батареи G1 — нить станет анодом, а холодный электрод — катодом (рис. 3.29). И хотя нить по-прежнему накалена и по-прежнему посылает в вакуум заряженные частицы, тока в цепи нет.

Получение электрического тока в вакууме

Из этого опыта следует, что частицы, испускаемые накаленной нитью, заряжены отрицательно — отталкиваются от холодного катода и притягиваются к аноду. Измерением заряда и массы было доказано, что катод испускает электроны.

Итак, электрический ток в вакууме представляет собой направленный поток электронов.

В отличие от тока в металлическом проводнике (где проводимость тоже электронная), в вакууме электроны движутся между электродами, ни с чем не сталкиваясь. Поэтому под действием электрического поля электроны непрерывно ускоряются. Скорость электронов у анода даже в маломощных электровакуумных приборах достигает нескольких тысяч километров в секунду, что в десятки миллиардов раз превышает среднюю скорость направленного движения электронов в металле.

Для создания тока в вакууме необходим специальный источник заряженных частиц. Действие такого источника обычно основано на термоэлектронной эмиссии.

 

 

???????@Mail.ru