Главная >> Электродинамика. Физика 10-11 класс. Мякишев

Глава 3. Электрический ток в различных средах

§ 3.19. Транзистор

Успешное развитие теории твердого тела привело к созданию многих полупроводниковых приборов, важное место среди которых занимает транзистор*, который был изобретен в 1951 г. американскими учеными У. Б. Шокли, У. Браттейном иДж. Бардиным.

    * От англ, transfer — переносить и англ, resistor — сопротивление.

Устройство транзистора

Наиболее распространенным типом транзистора является плоскостной триод. Основой для изготовления транзистора, как и полупроводникового диода, служит пластинка монокристалла германия (или кремния), слегка обогащенная донорной примесью, площадью 2—4 мм2 и толщиной около 100 мкм. На пластинку кристалла германия с двух сторон наносится тончайший слой индия.

После прогревания пластинки в печи на ее противоположных сторонах возникают области, обогащенные атомами индия, проникшими в германий при расплавлении. Эти области монокристалла германия становятся полупроводниками р-типа, а на границах соприкосновения их с основным кристаллом возникают два р—n-перехода. Средняя область кристалла называется базой транзистора, а две крайние области кристалла, обладающие проводимостью противоположного базе типа, называются коллектором и эмиттером. Эмиттер и коллектор транзистора отличаются лишь размерами: диаметр коллектора примерно в 2 раза больше диаметра эмиттера.

Устройство р—n—р-транзистора сплавного типа показано на рисунке 3.58 (цифрами обозначено: 1 — баллон транзистора, 2 — кристалл n-германия (база), 3 — эмиттер, 4 — коллектор, 5 — индиевый электрод, 6 — кристаллодержатель, 7 — стеклянные изоляторы, 8 — вывод эмиттера, 9 — вывод базы, 10 — вывод коллектора).

Устройство транзистора

Транзисторы n—р-n-типа имеют аналогичное устройство, только материал базы в них обладает дырочной проводимостью, а коллектор и эмиттер — электронной.

Условное обозначение транзисторов на схеме приведено на рисунке 3.59, a, б.

Принцип действия транзистора

При использовании транзистора в любой электронной схеме два его электрода должны служить для введения входного сигнала и два — для выведения выходного сигнала. Поскольку транзистор имеет всего три электрода, один из них обязательно используется дважды и оказывается общим для входной и выходной цепи.

Возможны три способа включения транзистора в электрическую цепь: с общей базой, с общим эмиттером и с общим коллектором.

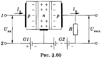
Рассмотрим принцип действия транзистора р—n—р-типа, включенного в цепь с общей базой, как схематически показано на рисунке 3.60. В этой схеме переход эмиттер—база включен в пропускном направлении, а переход коллекторы-база в запирающем направлении. Между эмиттером и базой включается источник тока G1 с ЭДС порядка 1—1,5 В и к точкам 1, 2 подводится входное переменное напряжение U вх (сигнал), подлежащее усилению. К выводам от базы и коллектора присоединяется батарея элементов G2 и нагрузочный резистор R. На этом резисторе получается выходное напряжение U вых — усиленный сигнал.

Принцип действия транзистора

Окончание параграфа >>>

 

 

???????@Mail.ru