Главная >> Физика 11 класс. Генденштейн. Дик

§ 11. Колебательный контур

Период электромагнитных колебаний

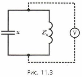
Присоединим мысленно вольтметр1 к колебательному контуру, как показано на рисунке 11.3. Вольтметр будет показывать одновременно и напряжение на конденсаторе, и ЭДС самоиндукции в катушке. Это означает, что ЭДС самоиндукции si в катушке в любой момент времени равна напряжению u на конденсаторе2:

    si = u.                     (1)

    Рис. 11.3

    1 Мы рассматриваем идеальный вольтметр, то есть вольтметр, сопротивление которого можно считать бесконечно большим. Будем считать также, что частота колебаний мала, и вольтметр «успевает показывать» мгновенные значения переменного напряжения. Сопротивлением катушки и проводов пренебрежём.

    2 Переменные напряжение и силу тока обозначают малыми буквами u и i.

Согласно закону электромагнитной индукции (§ 6), ЭДС индукции si связана со скоростью изменения силы тока соотношением

где L — индуктивность катушки. Штрих обозначает производную по времени.

Напряжение u на конденсаторе связано с зарядом q на нём соотношением (см. учебник физики 10-го класса):

где С — электроёмкость конденсатора.

3. Объясните, почему справедливо соотношение

Подсказка. Воспользуйтесь формулами (1), (2) и (3).

Вспомним теперь, что

Поэтому

    i' = q''.                     (6)

Окончание >>>

 

 

???????@Mail.ru