Главная >> Колебания и волны. Физика 11 класс. Мякишев

Глава 5. Электромагнитные волны

§ 5.12. Простейший радиоприемник

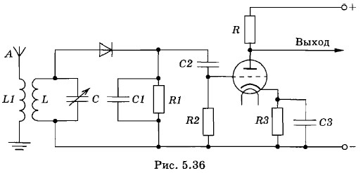
Схема простейшего радиоприемника с ламповым усилителем низкой частоты приведена на рисунке 5.36. Радиоволны, идущие от различных передающих станций, возбуждают в антенне А быстропеременные токи различных частот. С катушкой L1 индуктивно связана катушка L колебательного контура. Емкость конденсатора С контура можно менять, настраивая контур в резонанс по отношению к частоте одной из передающих радиостанций. При хорошей настройке колебания, вызванные волной от этой станции, будут в колебательном контуре приемника преобладать над всеми другими. К колебательному контуру присоединена цепь диодного детектора. Нагрузка R1 и конденсатор С1 образуют фильтр, с работой которого мы уже знакомы. Напряжение на фильтре будет пульсировать в такт с проходящим по нагрузке током. Это напряжение можно считать состоящим из постоянного напряжения и напряжения сигнала низкой частоты.

Простейший радиоприемник

При приеме дальних станций сигнал низкой частоты, полученный после детектирования, очень слаб. Поэтому в схеме использован усилитель. Так как он увеличивает амплитуду уже продетектированных колебаний, его называют усилителем низкой частоты.

Главной составной частью усилителя является трехэлектродная электронная лампа — триод. Анодный ток идет от положительного полюса источника анодного напряжения через анодную нагрузку (резистор R) и далее от анода к катоду лампы и через резистор R3 в цепи катода к отрицательному полюсу источника.

Емкость конденсатора СЗ настолько велика, что напряжение на резисторе R3 остается примерно постоянным, несмотря на колебания анодного тока. При увеличении анодного тока конденсатор СЗ берет на себя часть напряжения (дополнительно заряжается). При уменьшении анодного тока он разряжается через резистор R3. В результате потенциал верхней точки резистора R3 всегда на определенную величину U0c выше потенциала нижней точки. Но верхняя точка соединена с катодом, а нижняя точка через резистор R2 — с сеткой триода.

Следовательно, сетка лампы всегда имеет более низкий потенциал, чем катод. На это постоянное (отрицательное) напряжение накладывается слабое переменное напряжение uс сигнала звуковой частоты. Оно появляется на резисторе R2, так как по нему протекает слабый переменный ток (ведь резистор R2 фактически включен параллельно резистору R1 фильтра). Конденсатор С2 очень большой емкости пропускает переменный ток звуковой частоты, но является непреодолимым препятствием для постоянной составляющей тока.

На рисунке 5.37 показана сеточная характеристика лампы — зависимость силы анодного тока iа от сеточного напряжения uс.

сеточная характеристика лампы

При изменении сеточного напряжения на Δuс сила анодного тока изменяется на Δia. Постоянное отрицательное напряжение U0c необходимо для того, чтобы использовался линейный участок характеристики лампы. Иначе при усилении происходило бы значительное искажение сигнала. Суть усиления состоит в том, что малые колебания напряжения на сетке вызывают колебания силы тока в анодной цепи, которым соответствуют большие колебания напряжения на анодной нагрузке, так как сопротивление R весьма велико:

Δua = ΔiaR.

Усиленные колебания звуковой частоты используются для приведения в действие громкоговорителя.

В принципе так же устроен усилитель с использованием транзистора вместо триода.

 

 

???????@Mail.ru