Главная >> Физика 8 класс. Пурышева

Глава 7. Электрический ток

Последовательное соединение проводников

    Вопросы для самопроверки

1. Какое соединение проводников называют последовательным?

2. Просмотрите учебник и найдите примеры последовательных соединений.

3. Какая из трёх физических величин — I, U или R — остаётся постоянной для всех проводников, соединённых последовательно?

4. Чему равно общее сопротивление цепи, состоящей из трёх отдельных проводников, при их последовательном соединении?

5. Запишите формулу для расчёта напряжения на участке цепи, состоящем из трёх последовательно соединённых проводников.

    Задание 53

1. Верно ли утверждение о том, что полное напряжение в цепи при последовательном соединении проводников равно напряжению на полюсах источника тока? Ответ обоснуйте.

2. Вычислите общее сопротивление электрической цепи, состоящей из трёх проводников, схема которой приведена на рисунке 183.

    Вычислите общее сопротивление

3. Два проводника, сопротивления которых R1 = 5 кОм и R2 = 1 кОм, соединены последовательно (рис. 184). Сила тока в цепи равна 3 мА. Определите показания вольтметра, включённого между точками А и С. Что будут показывать вольтметры, включённые между точками А и В, В и С?

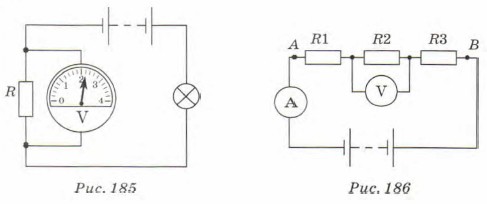
4. Чему равно напряжение на лампе, если её сопротивление в 2 раза больше сопротивления проводника R? Значение напряжения на концах проводника определите из рисунка 185.

5 . В цепь последовательно включены три проводника сопротивлением R1 = 5 Ом, R2 = 8 Ом, R3 = 15 Ом (рис. 186). Какую силу тока показывает амперметр и каково напряжение между точками А и В, если показание вольтметра, подключённого к сопротивлению R2, равно 1,6 В?

    Рис. 185

    Ответы к заданиям

2. 26 Ом.

3. 18 В; 15 В; 3 В.

4. 4,4 В.

5*. 0,2 А; 5,6 В.

<<< К началу

 

 

???????@Mail.ru