Главная >> Машиностроительное черчение. Инженерная графика. Чекмарев

Изображения. Надписи. Обозначения

Построения изображений - видов, разрезов, сечений (окончание)

Пример выполнения чертежа шара с отверстием сложной формы в системе π2, π1, π3 приведен на рис. 5.41: а —исходное задание; б — наглядное изображение; в — построение видов; г — окончательный чертеж (несколько увеличенный). Учитывая симметрию, половина вида сверху соединена с половиной разреза А —А и половина вида слева — с половиной профильного разреза.

Выполнения чертежа шара с отверстием сложной формы

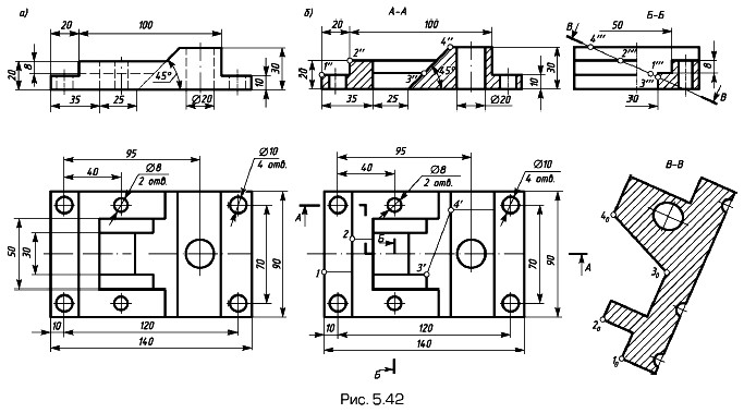
Пример выполнения чертежа детали типа «Плита» приведен на рис. 5.42: а — задание; б — выполненный чертеж. Плита имеет одну плоскость симметрии, на виде сверху внешняя форма изображена прямоугольником с размерами 140 х 90 мм, верхняя ступенчатая поверхность образована тремя горизонтальными плоскостями, в том числе двумя на уровне 30 и 20 мм. Под крепежные элементы для четырех отверстий диаметром 10 мм выполнены два боковых выреза на высоте 10 мм шириной по 20 мм.

Выполнения чертежа детали типа «Плита»

В плите имеется фасонное отверстие, одна из стенок которого — левая профильная плоскость на расстоянии 35 мм от левой стороны плиты, правая стенка образована наклоненной под 45° фронтально-проецирующей плоскостью, две другие стенки — ступенчатые симметричные с шириной ступенек по 10 мм [(50 — 30)/2] и высотой 12 мм (20 — 8). В плите имеется также одно цилиндрическое сквозное отверстие диаметром 20 мм и два симметрично расположенных сквозных отверстия диаметром 8 мм с расстояниями между осями 70 мм, как и у четырех крепежных отверстий.

Из приведенного анализа формы плиты очевидны построение третьей проекции и выполнение необходимых разрезов. По заданным главному виду и виду сверху построение проведено в следующем порядке.

  • построен вид слева (профильная проекция);
  • для выявления внутренней формы и формы крепежных отверстий намечен и выполнен ступенчатый фронтальный разрез A — A;
  • для выявления ступенчатых стенок в фасонном отверстии плиты и двух отверстий диаметром 8 мм выполнен профильный разрез Б — Б; он соединен с видом слева половины плиты;
  • нанесены размерные линии и цифры, при этом размеры 30, 50 и 8 мм, характеризующие ступенчатую форму двух стенок фасонного отверстия, перенесены на разрез на профильной проекции. В изменении расположения других размеров нет необходимости;
  • построено по заданию сечение В — В; построены горизонтальные и фронтальные проекции точек 1, 2, 3 и 4 на поверхности плиты, отмеченные на сечении В — В (на горизонтальной проекции — по координатам у профильной проекции).

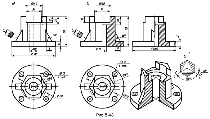
Пример выполнения чертежа детали типа «Корпус» приведен на рис. 5.43: а— задание; б —выполненный чертеж. Корпус имеет форму полой шестигранной правильной призмы с диаметром описанной окружности 60 мм. В основании — круглый фланец диаметром 100 мм и толщиной 12 мм с четырьмя отверстиями диаметром 12 мм. В центральной части корпуса — сквозное цилиндрическое отверстие диаметром 18 мм, в верхней части — цилиндрическая расточка диаметром 40 мм на глубину 20 мм и прямоугольный вырез (паз) шириной 34 и глубиной 15 мм. Паз образован двумя профильными и одной горизонтальной плоскостями. Боковые стенки паза врезаются в боковые грани шестигранной призмы и в стенки цилиндрической расточки диаметром 40 мм. Два боковых ребра под углом 60° придают жесткость корпусу. Корпус имеет две плоскости симметрии —фронтальную и профильную.

Выполнения чертежа детали типа «Корпус»

Учитывая симметрию, внутренние формы выявлены половиной фронтального и половиной профильного разрезов, соединенных с половинами главного вида и вида слева соответственно.

На профильном разрезе условно изображено крепежное отверстие на круглом фланце, не попадающее в секущую плоскость (см. рис. 5.38). Тонкостенное ребро на фронтальном разрезе, стенки которого параллельны секущей плоскости, не заштриховано. На виде слева граница между видом и разрезом указана волнистой линией справа от оси для выявления ребра призмы. Наглядное представление о конструкции детали дает построенное изометрическое изображение.

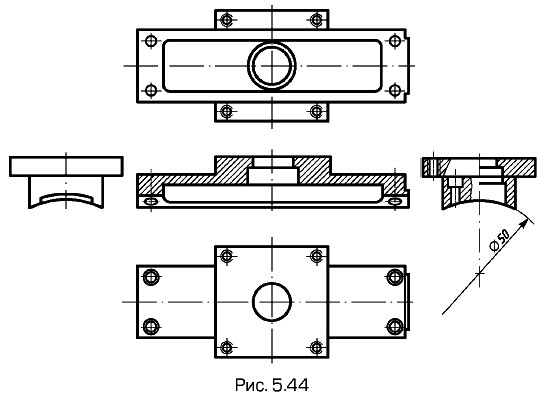
Пример чертежа детали с изображениями на пяти плоскостях проекций приведен на рис. 5.44. Фронтальный разрез, вид сверху, половина вида слева с местными разрезами и соединенная с ним половина профильного разреза дают достаточно полное представление о форме детали. Вид снизу уточняет конфигурацию полости в продолговатой части детали. На виде справа показана кольцевая форма выступа на правом конце детали.

Чертеж детали с изображениями на пяти плоскостях проекций

<<< К началу параграфа                       Следующий параграф >>>

 

 

???????@Mail.ru