Главная >> Машиностроительное черчение. Инженерная графика. Чекмарев

Изображение и обозначение резьбы и резьбовых соединений

Резьбовые соединения и их детали (продолжение)

Разработка чертежа болтового соединения

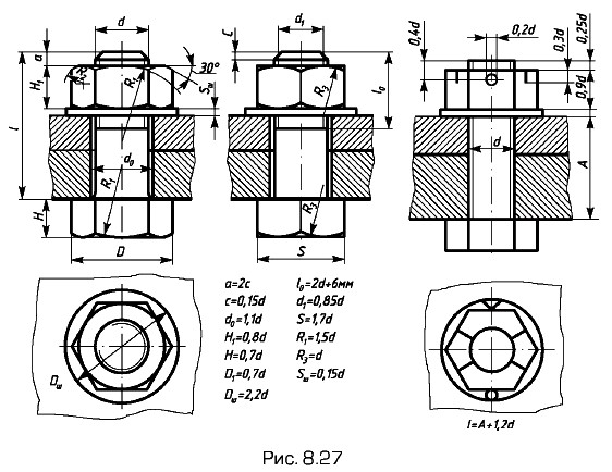
Чертеж болтового соединения (см. рис. 8.20) обычно разрабатывают исходя из заданного диаметра резьбы и толщины В1 и В2 соединяемых деталей. При этом длину l болта рассчитывают по формуле (рис. 8.26):

l = B2 + B1 + Sш + H + a + c

или

l = B2 + B1 + Sш + (2 ... 2,5)S

где В2 и B1 — толщина деталей; Sш — толщина шайбы; H—высота гайки; а — запас резьбы, принимаемый (1 ... 1,5)S; с — высота фаски, обычно равная s, или по ориентировочной формуле

l ≅ B1 + В2 + 1,3 d.

Длину болта рассчитывают по формуле

Устанавливают в соответствии со стандартом длину l болта (по таблицам) и длину l0 нарезанной части, мм:

l0 ≥ l - (В1 + В2) - 5.

Диаметр отверстия под болт обычно принимают на 1 мм больше, чем диаметр стержня болта.

Пример

Задано: d = 36 мм; B1 + В2 = 50 + 60 мм. Для резьбы диаметром 36 мм находим по таблицам шаг р = 4 мм, высоту гайки Н = 29 мм, толщину шайбы Sш = 6 мм.

Длина болта l, мм:

l ≥ 50 + 60 + 6 + 29 + (2 ... 2,5) х 4 = 153 ... 155

или

l ≥ 50 + 60+ 1,3 х 36 - 157.

По ГОСТ 7798—70 принимаем l = 160 мм.

Длина нарезанной части l0, мм:

l0 ≥ 160 - (50 + 60) - 5 = 45.

По ГОСТ 7798—70 принимаем l0 = 78 мм.

На чертеже болтового соединения (см. рис. 8.20) наносят: диаметр резьбы болта, длину болта и длину нарезанной части, диаметр окружности, описанной вокруг шестигранника гайки, размер под ключ.

В некоторых случаях на учебных чертежах изображение болтового соединения строят по относительным размерам, являющимся функциями диаметра резьбы (рис. 8.27, а) и округляемым при расчетах до целых чисел. Эти относительные размеры используют только для построения изображения, и на чертежах их не указывают.

Изображение болтового соединения

На рис. 8.27, б дано упрощенное изображение болтового соединения. На нем не даны фаски, зазоры между болтом и отверстием, резьба показана на всей длине болта, на виде сверху не показан внутренний диаметр резьбы, корончатая гайка изображена, как и прорезная. На рис. 8.27, б дана формула для определения длины болта по заданной толщине A скрепляемых деталей.

Винты

По назначению винты для металла разделяют на крепежные (соединительные) и установочные.

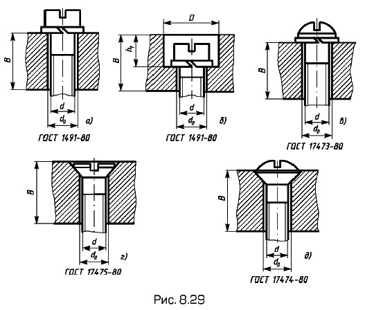
Крепежный винт — деталь, которая служит для разъемного соединения и представляет собой цилиндрический стержень с резьбой для ввинчивания в одну из соединительных деталей и головкой различной формы под ключ или с прорезью под отвертку. Чертежи винтов с различной формой головки с прорезью под отвертку приведены на рис. 8.28: цилиндрическая (а), полукруглая (б), потайная (в) и полупотайная (г).

Крепежный винт

Крепежные винты применяют при сборке машин и механизмов, когда к основной детали крепится вспомогательная, например крышка к корпусу редуктора, шпонка к валу, панель к шасси или корпусу и т.д. Винты с потайной и полупотайной (конической) головками часто применяют вместо болтов, когда выступающие головки мешают работе механизма.

Установочные винты отличаются от крепежных тем, что имеют нажимной конец специальной формы (плоский, конический, сферический), входящий в специальное углубление сопряженной детали.

При сборке приборов, машин установочные винты применяют для фиксирования одной детали относительно другой.

Стандарт устанавливает для винтов четыре варианта исполнения с определенной длиной нарезанной части в зависимости от диаметра и длины винта. Винты изготавливают с метрической резьбой с крупным и мелким шагом.

Пример условных обозначений винтов: «Винт M12 х 50 ГОСТ 17473—80» (винт соединительный с полукруглой головкой, исполнение 1, нормальной точности, с диаметром резьбы 12 мм, с крупным шагом, длиной стержня 50 мм) или «Винт М12 х 1,25 ГОСТ 17473—80» (винт с полукруглой головкой, исполнение 2, нормальной точности, с диаметром 12 мм, с мелким шагом резьбы, равным 1,25 мм).

Винтовые соединения

Варианты конструктивного расположения головок винтов относительно привинчиваемой детали достаточно разнообразны. Некоторые типовые примеры из них приведены на рис. 8.29. В конструкциях на рис. 8.29, а, б, в винт предотвращается от самоотвинчивания пружинной шайбой, располагаемой под цилиндрической или сферической головкой. В конструкциях г и д винтов с потайной и полупотайной головками такого стопорения не предусмотрено.

Винтовые соединения

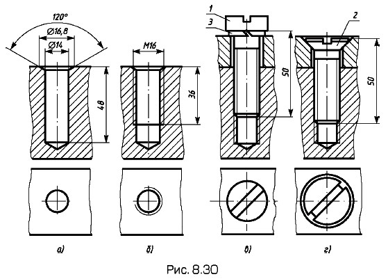
Примеры винтовых соединений деталей одинаковой толщины приведены на рис. 8.30. Оба винта с цилиндрической головкой (в) и с конической (потайной) головкой (г) имеют одинаковую резьбу диаметром 16 мм. Слева от винтовых соединений на рис. 8.30, б показаны операционные технологические эскизы на сверление отверстия под резьбу и на обработку резьбы.

Разработка винтового соединения и отображение на чертеже

Винтовое соединение (см. рис. 8.30) разрабатывают исходя из заданного диаметра резьбы, толщины В привинчиваемой детали, марки материала детали с резьбовым гнездом и принимаемого типа головки и ее расположения относительно привинчиваемой детали (см., например, рис. 8.29).

Разработка винтового соединения

Выписывают из соответствующих стандартов шаг р резьбы, размеры диаметра D и высоты Н головки, радиус r под головкой, ширину b и глубину h шлица, радиус головки (для полукруглой), наносят эти размеры на эскизе.

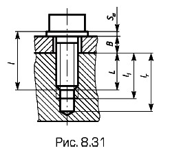
Определяют (рис. 8.31):

Разработка винтового соединения и отображение на чертеже

  • глубину L завинчивания винта в зависимости от материала детали с резьбовым гнездом — для стали и бронзы L = d, для чугуна L= 1,25d, для алюминия L = 2d;
  • глубину l1 резьбы с полным профилем (см. рис. 8.4, д), мм:

l1 = L + 2p;

  • глубину 1г сверления гнезда под резьбу (см. рис. 8.4), мм:

l1 = L + 6p = l1 + 4p;

  • длину l винта, мм:

l = В + L + Sш

или (рис. 8.29, б)

l = (B - h1) + L + Sш;

номинальный диаметр d1 отверстия под нарезание резьбы, мм:

    d1 = d - р           для р = 0,5...2 мм;
    d1 = d - р - 0,1       для р = 2,5...4,5 мм;
    d1 = d - p - 0,2       для р = 5...6 мм;

диаметр d0 сквозного отверстия в привинчиваемой детали, обычно для винтов

d0 ≈ d + 0,5 мм.

Оформляют чертеж, например, по типу, приведенному на рис. 8.30; при этом зазор между винтом и стенкой сквозного отверстия чертят увеличенным. Пример.

Задание: разработать винтовое соединение по типу, приведенному на рис. 8.29, б, для винта с резьбой М16: B = 40 мм, D = 25 мм, h1 = 12 мм, материал детали с резьбовым гнездом — сталь.

Выписываем из таблиц: для винта с резьбой M16: шаг p = 2 мм, диаметр головки D = 24 мм, ширина b = 4 мм и глубина h = 4 мм шлица, высота головки H = 9 мм, радиус r = 1,6 мм; для шайбы пружинной диаметр d = 16,3, толщина Sш = b = 4 мм.

Определяем:

  • глубину L завинчивания в стальное гнездо: L = d = 16 мм;
  • глубину l, сверления гнезда:

lг = L + 6р = 16 + 6 х 2 = 28 мм;

  • длину l винта:

l = (B - h1) + L + Sш = (40 - 12) + 16 + 4 = 48 мм;

  • устанавливаем по таблицам стандартную длину l = 50 мм;
  • уточняем глубину сверления гнезда lг = 30 мм;
  • длину нарезанной части l0 > L = 16, l0 = 38 мм;
  • номинальный диаметр d1 отверстия под нарезание резьбы для р = 2 мм:

d1 = d - р = 16 - 2= 14 мм;

  • диаметр d0 сквозного отверстия:

d0 ≈ d + 0,5 = 16 + 0,5 = 16,5 мм;

  • диаметр фаски 1,05d = 1,05 х 16 = 16,8 мм.

Выбранный винт М16 х 50 ГОСТ 1491—80.

<<< К началу параграфа                       Окончание параграфа >>>

 

 

???????@Mail.ru