Главная >> Машиностроительное черчение. Инженерная графика. Чекмарев

Чертежи оригинальных деталей

Съемка эскизов деталей (продолжение)

Деталь типа «основание»

Внешний вид такой детали приведен на рис. 10.47. Приведем анализ ее формы. В основе конструкции детали — прямоугольный параллелепипед с внутренней полостью, с боковыми срезами и углублениями в них, с поперечным пазом. Деталь имеет две плоскости симметрии: продольную и поперечную. Внутренняя полость имеет симметричную ступенчатую форму, образованную несколькими плоскостями. Углубления сбоку имеют форму полуцилиндров с касательными к ним плоскостями.

Деталь типа «основание»

Планировка приведена на рис. 10.48, а, изображение — на рис. 10.48, б. Половина главного вида и половина фронтального разреза дают наиболее полное представление о форме детали по сравнению с ее изображениями на горизонтальной и профильной плоскостях проекций. На профильной плоскости проекций также соединены два изображения детали — половина вида слева с половиной профильного разреза. Фронтальный и профильный разрезы не обозначены надписями, так как секущие плоскости совпадают с плоскостями симметрии детали.

Планировка приведена детали типа «основание»

Симметричность детали определила и схему нанесения размерных линий, определяющих форму и положение внутренних элементов, боковых пазов и поперечного паза. Отметим также особенность нанесения размерных линий для элементов внутренних выступов на фронтальном разрезе — размерные линии № 1, 2, 3, 4 начерчены с обрывом. Слева от оси размерная линия оборвана и не имеет стрелки. Такая условность размеров установлена стандартом при соединении на одной плоскости проекций части разреза и части вида для деталей симметричной формы. Обрыв размерной линии делают дальше оси или линии обрыва предмета. Аналогично нанесена размерная линия № 7 на профильном разрезе. Другие особенности нанесения размеров рассмотрены ниже.

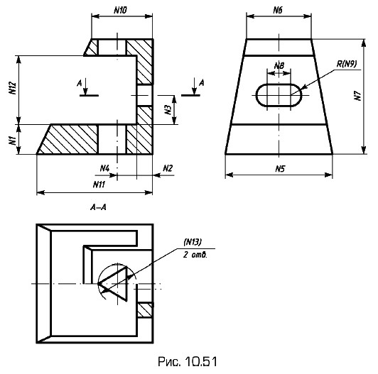
Многогранная деталь типа «корпус»

Внешний вид такой детали — корпуса ручного пресса — приведен на рис. 10.49. Назначение детали — несущая конструкция, вырез в которой образует рабочую зону пресса.

Анализ конструкции данной детали показывает, что в основе ее формы — многогранник, три боковые грани которого наклонны, а четвертая перпендикулярна к основаниям (рис. 10.50). В многограннике выполнен вырез двумя плоскостями, параллельными основаниям, и плоскостью, перпендикулярной к ним (параллельной четвертой боковой грани). Кроме того, в детали выполнены два одинаковых по размерам вертикальных треугольных призматических отверстия, расположенных друг под другом, и фасонное горизонтальное отверстие. Деталь имеет одну вертикальную плоскость симметрии.

В многограннике выполнен вырез двумя плоскостями

Выбор изображений (рис. 10.51) в данном случае обосновывается следующим (планировка отдельным рисунком не иллюстрируется). Фронтальный разрез по плоскости симметрии выявляет вырез, образующий рабочую зону, и взаимное расположение отверстий. Его расположение позволяет выявить форму выреза на виде слева. Соединение половины вида сверху и половины горизонтального разреза А — А позволяет выявить форму верхнего и нижнего трехгранных отверстий, а также форму фасонного отверстия в вертикальной стенке.

Многогранная деталь типа «корпус»

<<< К началу параграфа                       Окончание параграфа >>>

 

 

???????@Mail.ru