Главная >> Машиностроительное черчение. Инженерная графика. Чекмарев

Разработка рабочей документации

13.3. Пример деталирования сборочной единицы

На чертеже гайки 4 (рис. 13.17) сопряженные размеры: резьба Tr 12 x 3LH и диаметр 20 мм; свободный зависимый размер — длина 18 мм.

Чертеж гайки

На чертеже втулки 5 (рис. 13.18) сопряженные размеры: диаметры 12; 30 мм и длина 25 мм.

Чертеж втулки

На чертеже маховичка (рис. 13.19) подчеркнуты сопряженные размеры: диаметр 10 мм, ширина 2 шпоночного паза и резьба М6. Размер 14,5 (толщина ступицы) является зависимым свободным размером. Он больше чем размер 14 посадочного цилиндрического участка на винте для плотного закрепления маховичка с помощью гайки М8. Зависимым свободным размером является также диаметр 8,5 мм углубления под ручку.

Чертеж маховичка

На чертеже центра 7 (рис. 13.20) сопряженный размер — конусность 1:20,020 (конус морзе № 2) и диаметр 17,780 мм на заданном базорасстоянии 4*. Осевые размеры центра рассмотрены выше при рассмотрении чертежа пиноли.

Чертеж центра

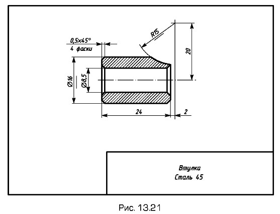
На чертеже втулки 8 (рис. 13.21) сопряженные размеры: диаметр 16 мм и радиус 15 мм, зависимый свободный размер — диаметр 8,5 мм.

Чертеж втулки

На чертежах ручек 9 (рис. 13.22) и 11 (рис. 13.23) по одному сопряженному размеру: резьба М8 и М6. У ручки 11 — один зависимый свободный размер — диаметр 8 мм.

Чертеж ручек

чертеж  ручки

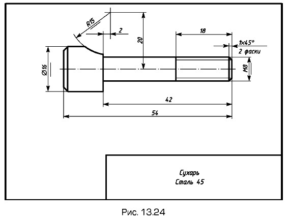
На чертеже сухаря 10 (рис. 13.24) три сопряженных размера: диаметр 16 мм, резьба М18 и радиус 15 мм.

Чертеж сухаря

<<< К началу параграфа                       Сокращенный перечень стандартов >>>

 

 

???????@Mail.ru