Главная >> Машиностроительное черчение. Инженерная графика. Чекмарев

Разработка рабочей документации

Пример деталирования сборочной единицы

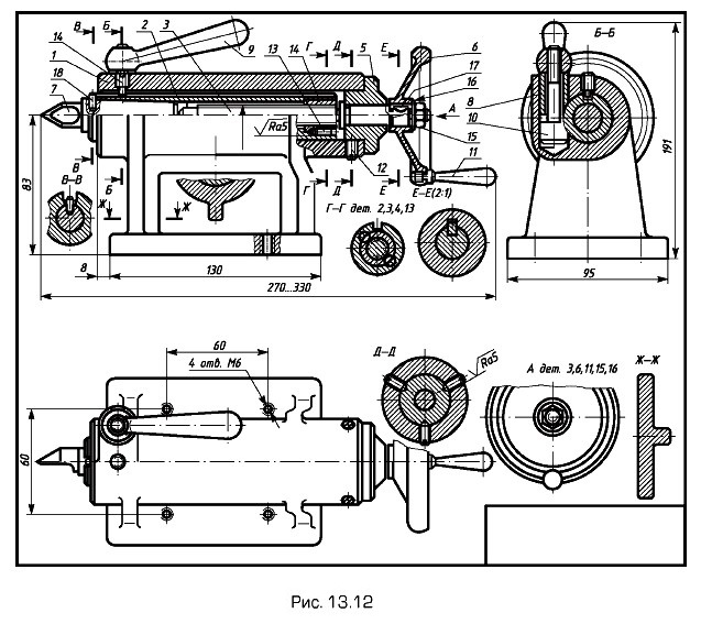
Деталирование сборочной единицы рассмотрим на примере задней бабки токарного станка. Чертеж общего вида задней бабки приведен на рис. 13.12. Перечень ее деталей приведен в таблице составных частей. Для краткости в графе «Примечание» материалы (серый чугун СЧ15-32, бронза Бр АМц 9—2) обозначены только маркой материала (СЧ15-32, Бр АМц 9—2 соответственно).

Назначение и принцип действия задней бабки токарного станка

Задняя бабка токарного станка предназначена для создания дополнительной опоры длинной обрабатываемой детали со стороны свободного правого торца или для закрепления патрона с режущим инструментом, например сверлом.

Дополнительную опору создает центр 7, конический конец которого входит в коническое углубление (центровое гнездо) обрабатываемой детали. Для подхода резца на величину минимального радиуса при обработке торца детали центр имеет срез со стороны резца и ориентируется при установке штифтом 18. Центр 7 перемещают вдоль оси станка на 60 мм (330 ... 270) при вращении ручки 11.

Описание конструкции. Задняя бабка смонтирована в корпусе 1, внутри которого перемещают в осевом направлении пиноль 2. Поступательное движение пиноли создают винтовой парой — винтом 3 и гайкой 4, неподвижно закрепленной в пиноли винтами 13. Вращение от ручки 11 на винт 3 передает маховичок 6 через сегментную шпонку 17.

Винт 3 вращается во втулке 5, которая неподвижно укреплена в корпусе 1 тремя стопорными винтами 12. Стопорный винт 14 предотвращает проворачивание пиноли 2 в корпусе 1 под действием сил трения в винтовой паре.

После упора центра 7 в обрабатываемую деталь пиноль 2 фиксируют в корпусе 1 поворотом ручки 9. При этом пиноль зажимают детали 8 и 10.

Задняя бабка токарного станка

Таблица составных частей задней бабки

Совмещение оси пиноли с осью шпинделя станка обеспечивают размер 83 корпуса 1 и закрепление его на специальных салазках четырьмя винтами с резьбой М6.

Задания на деталирование и вопросы для чтения чертежа

1. Разобраться в устройстве задней бабки токарного станка, ее назначении в целом и каждой детали в отдельности.

2. Продумать порядок сборки и разборки задней бабки.

3. Выполнить чертежи всех деталей задней бабки или часть из них. В последнем случае в первую очередь разрабатывают чертежи на следующие детали: 1, 2, 3, затем остальные.

4. Выполнить диметрическую проекцию детали 1.

5. В какой последовательности следует произвести разборку задней бабки, чтобы заменить износившуюся гайку 4?

6. Каковы размеры основных форматов для выполнения чертежей?

7. Какими основными параметрами определяется любая резьба? Как обозначается трапецеидальная резьба? Укажите ее на чертеже и назовите ее основные параметры.

8. Как изображают конец глухого резьбового отверстия? Покажите его на чертеже.

9. Какие резьбы имеет гайка 4?

10. Что называется видом? Укажите один из основных видов, имеющихся на чертеже. Как его называют?

11. Какие требования предъявляют к главному изображению? Покажите на чертеже главное изображение.

12. Как располагают секущую плоскость при профильном разрезе? Покажите на чертеже пример профильного разреза.

13. Какой разрез называют местным? Покажите на чертеже пример местного разреза.

14. Что называют сечением? Как подразделяют сечения, не входящие в состав разреза? Покажите на чертеже пример сечения. Какое оно?

15. С какой целью изображены сечения Г — Г, Д — Д, Е — Е, Ж — Ж?

16. С какой целью изображен разрез Б — Б?

17. Какие детали показывают нерассеченными при продольном разрезе? Покажите пример таких деталей на чертеже.

18. Какие виды называют дополнительными? Покажите пример дополнительного вида на чертеже.

19. Какие размеры называют присоединительными? Покажите присоединительные размеры на чертеже.

20. Какие размеры называют габаритными? Покажите габаритные размеры на чертеже. Каково значение наибольшего габаритного размера?

21. Как располагают и чему равны величины большой и малой осей эллипсов в прямоугольной и диметрической проекциях?

Продолжение параграфа >>>

 

 

???????@Mail.ru