Главная >> Физика 10 класс. Мякишев

Глава 15. Законы постоянного тока

§ 102. Электрические цепи. Последовательное и параллельное соединения проводников

    Сформулируйте закон Ома для участка цепи.

    Как выглядит зависимость силы тока в проводнике от напряжения на нём? от его сопротивления?

От источника тока энергия может быть передана по проводам к устройствам, потребляющим энергию: электрической лампе, радиоприёмнику и др. Для этого составляют электрические цепи различной сложности.

К наиболее простым и часто встречающимся соединениям проводников относятся последовательное и параллельное соединения.

Последовательное соединение проводников. При последовательном соединении электрическая цепь не имеет разветвлений. Все проводники включают в цепь поочерёдно друг за другом. На рисунке (15.5, а) показано последовательное соединение двух проводников 1 и 2, имеющих сопротивления R1 и R2. Это могут быть две лампы, две обмотки электродвигателя и др.

Важно
Сила тока в обоих проводниках одинакова, т. е.

I1 = I2 = I.                     (15.5)

В проводниках электрический заряд в случае постоянного тока не накапливается, и через любое поперечное сечение проводника за определённое время проходит один и тот же заряд.

Определите отношение напряжения на всем проводнике длиной l к напряжению на участке этого проводника длиной l/4.

Напряжение на концах рассматриваемого участка цепи складывается из напряжений на первом и втором проводниках:

U = U1 + U2.

Последовательное соединение проводников

Применяя закон Ома для всего участка в целом и для участков с сопротивлениями проводников R1 и R2, можно доказать, что полное сопротивление всего участка цепи при последовательном соединении равно:

R = R1 + R2.                 (15.6)

Это правило можно применить для любого числа последовательно соединённых проводников.

Напряжения на проводниках и их сопротивления при последовательном соединении связаны соотношением

Напряжения на проводниках и их сопротивления при последовательном соединении связаны соотношением

Выведите формулу (15.6) самостоятельно.

Докажите справедливость соотношения (15.7) самостоятельно.

Параллельное соединение проводников. На рисунке (15.5, б) показано параллельное соединение двух проводников 1 и 2 сопротивлениями R1 и R2. В этом случае электрический ток I разветвляется на две части. Силу тока в первом и втором проводниках обозначим через I1 и I2.

Так как в точке а — разветвлении проводников (такую точку называют узлом) — электрический заряд не накапливается, то заряд, поступающий в единицу времени в узел, равен заряду, уходящему из узла за это же время. Следовательно,

I = I1 + I2.                 (15.8)

Важно
Напряжение U на концах проводников, соединённых параллельно, одинаково, так как они присоединены к одним и тем же точкам цепи.

В осветительной сети обычно поддерживается напряжение 220 В. На это напряжение рассчитаны приборы, потребляющие электрическую энергию. Поэтому параллельное соединение — самый распространённый способ соединения различных потребителей. В этом случае выход из строя одного прибора не отражается на работе остальных, тогда как при последовательном соединении выход из строя одного прибора размыкает цепь. Применяя закон Ома для всего участка в целом и для участков проводников сопротивлениями R1 и R2, можно доказать, что величина, обратная полному сопротивлению участка ab, равна сумме величин, обратных сопротивлениям отдельных проводников:

Отсюда следует, что для двух проводников

Напряжения на параллельно соединённых проводниках равны: I1R1 = I2R2. Следовательно,

Напряжения на параллельно соединённых проводниках

Выведите формулу (15.9) самостоятельно.

Важно
Обратим внимание на то, что если в какой-то из участков цепи, по которой идёт постоянный ток, параллельно к одному из резисторов подключить конденсатор, то ток через конденсатор не будет идти, цепь на участке с конденсатором будет разомкнута. Однако между обкладками конденсатора будет напряжение, равное напряжению на резисторе, и на обкладках накопится заряд q = CU.

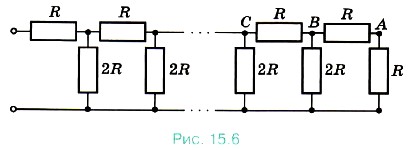
Рассмотрим цепочку сопротивлений R — 2R, называемую матрицей

Рассмотрим цепочку сопротивлений R — 2R, называемую матрицей (рис. 15.6).

На последнем (правом) звене матрицы напряжение делится пополам из-за равенства сопротивлений, на предыдущем звене напряжение тоже делится пополам, поскольку оно распределяется между резистором сопротивлением R и двумя параллельными резисторами сопротивлениями 2R и т. д. Эта идея — деления напряжения — лежит в основе преобразования двоичного кода в постоянное напряжение, что необходимо для работы компьютеров.

Ключевые слова для поиска информации по теме параграфа.
Параллельное и последовательное соединения резисторов

Вопросы к параграфу

    1. Почему лампы в квартире соединяют параллельно, а лампочки в ёлочных гирляндах — последовательно?

    2. Сопротивление каждого проводника равно 1 Ом. Чему равно сопротивление двух таких проводников, соединённых: 1) последовательно; 2) параллельно?

Образцы заданий ЕГЭ

A1. Сопротивление участка цепи, изображённого на рисунке, равно

1) 2R0/3 2) 3R0 3) 1,5R0 4) R0/3

A2. Сопротивление участка цепи, изображённого на рисунке, равно

1) 11 Ом     2) б Ом     3) 4 Ом     4) 1 Ом

A3. Каким будет сопротивление участка цепи, изображённого на рисунке, при замыкании ключа? Каждый из резисторов имеет сопротивление R.

1) R     2) R/2     3) R/3     4)0

A4. Через участок цепи (см. рис.) идёт постоянный ток. Сила тока I = 8 А. Какую силу тока показывает амперметр? Сопротивление амперметра не учитывайте.

1) 2 А     2) 3 А     3) 6 А     4) 12 А

 

 

???????@Mail.ru