Главная >> Физика 10 класс. Мякишев

Лабораторные работы

№ 8. Последовательное и параллельное соединения проводников

Цель работы

Проверить основные закономерности последовательного и параллельного соединений проводников (резисторов), а также справедливость формул для определения эквивалентного сопротивления.

Теоретическая часть

1) При последовательном соединении проводников R1 и R2 сила тока, идущего по ним, одинакова:

I = I1 = I2,

а напряжение на концах этого участка цепи равно сумме падений напряжения на каждом из проводников:

U = U1 + U2.

При любом числе последовательно соединённых проводников полное сопротивление участка цепи

R = R1 + R2 + R3 + ... .

2) При параллельном соединении проводников напряжение на их концах одинаково:

U = U1 = U2.

Сила тока в цепи равна сумме токов, идущих по параллельно соединённым проводникам:

I = I1 + I2

При любом числе параллельно соединённых проводников эквивалентное (полное) сопротивление этого участка цепи определяется формулой

При любом числе параллельно соединённых проводников эквивалентное (полное) сопротивление этого участка цепи

Оборудование

Источник тока, резисторы, амперметр, вольтметр, реостат, соединительные провода, ключ.

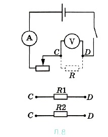
Соберите схему, состоящую из соединённых последовательно источника тока, реостата, амперметра, одного резистора

Порядок выполнения работы

1. Соберите схему, состоящую из соединённых последовательно источника тока, реостата, амперметра, одного резистора (рис. Л.8).

2. Подключите к точкам С и D вольтметр параллельно резистору.

3. Замкните цепь и измерьте силу тока I1 и напряжение U1.

4. Замените первый резистор вторым и измерьте силу тока I2 и напряжение U2.

5. Подключите между точками С и D оба резистора последовательно. Параллельно им подключите вольтметр.

Измерьте силу тока I3 и напряжение U3.

6. Соедините резисторы параллельно, подключите их между точками С и D, затем параллельно им подключите вольтметр.

Измерьте силу тока I4 и напряжение U4.

7. Результаты измерений запишите в таблицу 11.

Результаты измерений запишите в таблицу 11

8. Проведите расчёты и заполните таблицу 12.

Проведите расчёты и заполните таблицу 12

Сравните значения эквивалентных сопротивлений при последовательном и параллельном соединениях резисторов. Возможное несовпадение результатов объясняется погрешностями измерений.

9. Вычислите абсолютную и относительную погрешности измерений.

Относительную погрешность измерения каждого сопротивления можно определить по формуле

Относительную погрешность измерения каждого сопротивления можно определить по формуле

Абсолютная погрешность ΔRi = εiRi.

Оцените, насколько ошибки измерений повлияли на совпадение результатов. Запишите окончательные результаты измерений сопротивлений для каждого случая в виде

R - ΔR ≤ R ≤ R + ΔR.

Сделайте вывод о справедливости приведённых выше формул.

 

 

???????@Mail.ru