Главная >> Физика 11 кл. Мякишев

Глава 4. Электромагнитные колебания

§ 33. Конденсатор в цепи переменного тока

Постоянный ток не может идти по цепи, содержащей конденсатор. Ведь фактически при этом цепь оказывается разомкнутой, так как обкладки конденсатора разделены диэлектриком. Переменный же ток может идти по цепи, содержащей конденсатор. В этом можно убедиться с помощью простого опыта.

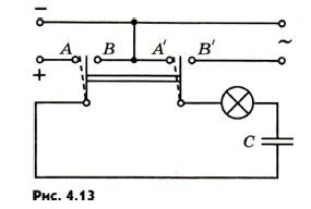
Цепь состоит из конденсатора и лампы накаливания

Пусть у нас имеются источники постоянного и переменного напряжений, причем постоянное напряжение на зажимах источника равно действующему значению переменного напряжения. Цепь состоит из конденсатора и лампы накаливания (рис. 4.13), соединенных последовательно. При включении постоянного напряжения (переключатель повернут влево, цепь подключена к точкам АА') лампа не светится. Но при включении переменного напряжения (переключатель повернут вправо, цепь подключена к точкам ВВ') лампа загорается, если емкость конденсатора достаточно велика.

Как же переменный ток может идти по цепи, если она фактически разомкнута (между пластинами конденсатора заряды перемещаться не могут)? Все дело в том, что происходит периодическая зарядка и разрядка конденсатора под действием переменного напряжения. Ток, идущий в цепи при перезарядке конденсатора, нагревает нить лампы.

Установим, как меняется со временем сила тока в цепи, содержащей только конденсатор, если сопротивлением проводов и обкладок конденсатора можно пренебречь (рис. 4.14).

Напряжение на конденсаторе

    Напряжение на конденсаторе

равно напряжению на концах цепи. Следовательно,

Заряд конденсатора меняется по гармоническому закону:

    q = CUm cos ωt.

Сила тока, представляющая собой производную заряда по времени, равна:

    Сила тока, представляющая собой производную заряда по времени

    Колебания силы тока опережают по фазе колебания

Следовательно, колебания силы тока опережают по фазе колебания напряжения на конденсаторе на (рис. 4.15).

Окончание >>>

 

 

???????@Mail.ru