Главная >> Физика 8 класс. Перышкин. Онлайн учебник

Глава 2. Электрические явления

§ 49. Параллельное соединение проводников

Другой способ соединения проводников, применяемый в практике, называется параллельным соединением. На рисунке 79, а изображено параллельное соединение двух электрических ламп, а на рисунке 79, б — схема этого соединения. Обратите внимание на важные особенности такого соединения.

Параллельное соединение лампочек

При параллельном соединении проводников:

При параллельном соединении все входящие в него проводники одним своим концом присоединяются к одной точке цепи А, а вторым концом к другой точке В (см. рис. 79, б). Поэтому напряжение на участке цепи АВ и на концах всех параллельно соединённых проводников одно и то же:

напряжение на участке цепи АВ и на концах всех параллельно соединённых проводников одно и то же

Схожесть потока в реке с током в цепи

Очень удобно поэтому применять параллельное соединение потребителей в быту и в технике, так как все потребители в этом случае изготавливаются в расчёте на одинаковое напряжение. Кроме того, при выключении одного потребителя другие продолжают действовать, ток в них не прерывается, так как цепь остаётся замкнутой.

При параллельном соединении ток в точке В (см. рис. 79, б) разветвляется на два тока I1 и I2, сходящиеся вновь в точке А, подобно тому как изображённый на рисунке 80 поток воды в реке распределяется по двум каналам, сходящимся затем вновь.

Поэтому сила тока в неразветвлённой части цепи равна сумме сил токов в отдельных параллельно соединённых проводниках:

сила тока в неразветвлённой части цепи равна сумме сил токов в отдельных параллельно соединённых проводниках

При параллельном соединении как бы увеличивается площадь поперечного сечения проводника. Поэтому общее сопротивление цепи уменьшается и становится меньше сопротивления каждого из проводников, входящих в цепь. Так, например, сопротивление цепи R, состоящей из двух одинаковых ламп, сопротивлением Rj каждая, в два раза меньше coпротивления одной лампы:

Общее сопротивление цепи при параллельном соединении проводников определяется по формуле

Общее сопротивление цепи при параллельном соединении проводников определяется по формуле

В одну и ту же электрическую цепь параллельно могут быть включены самые различные потребители электрической энергии. На рисунке 81 показано параллельное включение электрических ламп, нагревательных приборов и электродвигателя. Такая схема соединения потребителей тока используется, например, в жилых помещениях; в точках а и б провода осветительной сети вводятся в квартиру.

Потребители, параллельно включаемые в данную сеть, должны быть рассчитаны на одно и то же напряжение, равное напряжению в сети.

Напряжение в сети, используемое у нас для освещения и в бытовых приборах, равно 220 В. Поэтому электрические лампы и различные бытовые электроприборы изготовляют на 220 В.

Параллельное включение в цепь различных потребителей

В практике часто применяется смешанное (последовательное и параллельное) соединение проводников.

Параллельное соединение двух ламп

Зная сопротивления проводников, соединённых параллельно, и напряжение на этом участке цепи, можно определить многие другие электрические величины этой цепи. Для этого нужно использовать формулы: U = U1 = U2 и I = I1 + I2, а также закон Ома для участка цепи.

П р и м е р. В осветительную сеть комнаты включены две электрические лампы, сопротивления которых 200 и 300 Ом. Напряжение в сети 120 В. Определить силу тока в каждой лампе, силу тока в подводящих проводах (т. е. силу тока до разветвления), общее сопротивление участка, состоящего из двух ламп.

Запишем условие задачи и решим её.

Определить силу тока в каждой лампе, силу тока в подводящих проводах

Решив задачу, мы убедились, что общее сопротивление участка цепи R = 120 Ом, состоящего из двух параллельно соединённых проводников сопротивлением R1 = 200 Ом и R2 = 300 Ом, меньше сопротивления каждого проводника.

Вопросы

1. Какое соединение проводников называют параллельным? Изобразите его на схеме.
2. Какая из электрических величин одинакова для всех проводников, соединённых параллельно?
3. Как выражается сила тока в цепи до её разветвления через силы токов в отдельных ветвях разветвления?
4. Как изменяется общее сопротивление разветвления после увеличения числа проводников в разветвлении?
5. Какое соединение проводников применяется в жилых помещениях?
6. Какие напряжения используются для бытовых нужд?

Упражнение 33

1. Два проводника сопротивлением 10 и 15 Ом соединены параллельно и подключены к напряжению 12 В. Определите силу тока в каждом проводнике и силу тока до разветвления.
2. Почему бытовые приборы в помещении необходимо соединять параллельно?

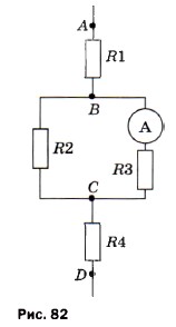
На рисунке 82 изображена схема смешанного соединения проводников
3. Три потребителя сопротивлением 20, 40, 24 Ом соединены параллельно. Напряжение на концах этого участка цепи 24 В. Определите силу тока в каждом потребителе, общую силу тока в участке цепи и сопротивление участка цепи.
4. Два проводника имеют сопротивления 5 Ом и 500 Ом. Почему при последовательном соединении этих проводников их общее сопротивление будет больше 500 Ом, а при параллельном соединении меньше 5 0м?
5. На рисунке 82 изображена схема смешанного соединения проводников, сопротивления которых: R1 = 4 Ом, R2 = 6 Ом, R3 = 12 Ом, R4 = 2 Ом. Амперметр показывает силу тока 1 А. Определите напряжение между точками В и С и силу тока в каждом проводнике.

 

 

???????@Mail.ru