Главная >> Машиностроительное черчение. Инженерная графика. Чекмарев

Оформление чертежей

Нанесение размеров на чертеже (окончание)

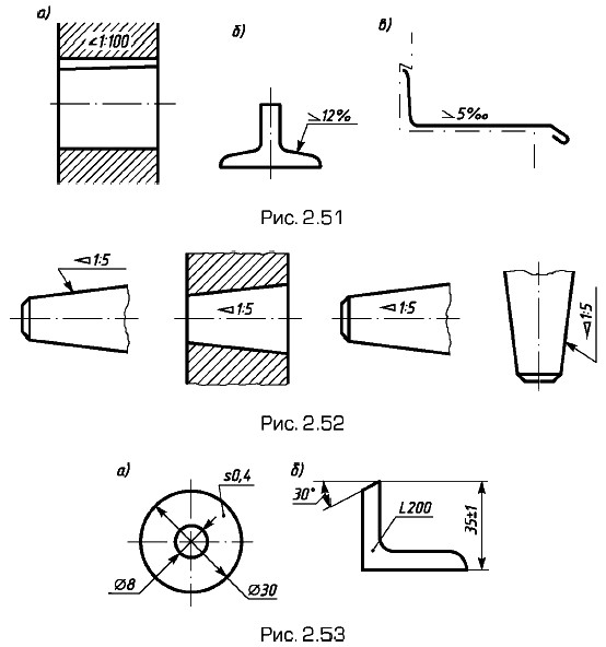
Некоторые угловые размеры задают значениями уклона и конусности. Уклон — это тангенс угла наклона данной прямой (плоскости) к какой-либо другой прямой (плоскости). Уклон поверхности указывают непосредственно у изображения поверхности уклона или на полке линии-выноски в виде соотношения (рис. 2.51, а), в процентах (рис. 2.51, б) или в промилле (рис. 2.51, в). Перед размерным числом, определяющим уклон, наносят знак ∠, острый угол которого направлен в сторону уклона.

Под конусностью понимают отношение разности диаметров двух поперечных сечений конуса к расстоянию между ними. Перед размерным числом, характеризующим конусность, наносят знак , острый угол которого должен быть направлен в сторону вершины конуса (рис. 2.52, см. также рис. 2.49, ж, и).

При изображении детали в одной проекции на полке линии-выноски (рис. 2.53, а, б) наносят размер толщины (s 0,4) или длины (l 200).

Конусность

Размер фаски под углом 45° наносят, как показано на рис. 2.54, а, б. Если размер фаски в масштабе чертежа 1 мм и менее, то размер указывают на полке линии-выноски, проведенной от грани (рис. 2.54, в, г).

Размеры фасок под другими углами указывают по общим правилам — линейным и угловым размерами (рис. 2.54, д — ж).

Линейным и угловым размерами

Размеры элементов деталей и их положения

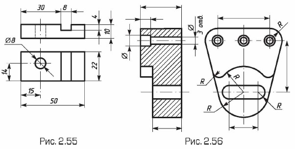
Размеры, относящиеся к одному и тому же конструктивному элементу детали (пазу, выступу, отверстию и т.п.), рекомендуется группировать в одном месте, располагая их на том изображении, на котором геометрическая форма данного элемента показана наиболее полно. На (рис. 2.55) размеры паза шириной 8 мм, глубиной 4 мм, расположенного на расстоянии 30 мм от левой стенки детали, приведены на фронтальной проекции детали; размеры отверстия диаметром 8 мм с координатами оси 14 и 15 мм — на горизонтальной проекции.

Подобная группировка размеров показана на (рис. 2.56). Целесообразно отдельно группировать размеры, относящиеся к внутренним и внешним очертаниям детали. Пример такой группировки размеров длин показан на рис. 2.57: наружных очертаний — внизу, внутренних — вверху. Иногда такую группировку выполняют на разных изображениях.

Размеры, определяющие взаимное расположение элементов предмета или его поверхностей

Размеры, определяющие взаимное расположение элементов предмета или его поверхностей, наносят от общей базы — края детали (рис. 2.58, а, б, г) или крайнего отверстия (рис. 2.58, в).

Наклонные штрихи знака

От одной базы — отсчетного уровня, принимаемого за нулевой, наносят отметки уровней (высот, глубин) конструкции или элемента на виде и разрезе. Их помещают на выносных линиях или линиях контура и обозначают знаком , выполненным сплошными тонкими линиями. Наклонные штрихи знака проводят длиной 2...4 мм под углом 45° к выносной линии или линии контура (см. рис. 2.59, а). На виде сверху отметки уровней наносят в рамке непосредственно на изображении или линии-выноске (см. рис. 2.59, б) или как показано на рис. 2.59, в. Отметки уровней указывают в метрах с точностью до третьего десятичного знака без обозначения единицы измерения.

Отметки уровней

Между равномерно расположенными элементами изделия (например, отверстиями) рекомендуется наносить размер между соседними элементами и размер между крайними элементами в виде произведения количества промежутков между элементами на размер промежутка (рис. 2.60, а — 10 х 15 = 150; б — 5 х 15°= 75°).

Произведения количества промежутков между элементами на размер промежутка

Некоторые другие требования к расположению размеров рассмотрены ниже в гл. 9.

<<< К началу параграфа                       Следующий параграф >>>

 

 

???????@Mail.ru