Главная >> Машиностроительное черчение. Инженерная графика. Чекмарев

Чертежи оригинальных деталей

Простановка размеров на элементы деталей (продолжение)

Если деталь имеет большое число отверстий с параллельными осями, то их координацию лучше производить от какого-либо одного отверстия, например от отверстия А (рис. 10.15). Четыре отверстия М10 также привязаны к отверстию A, однако взаимное положение этих отверстий и фигурного отверстия закоординиро- вано уже от отверстия Б, так как эти размеры являются сопряженными с размерами другой детали.

Если деталь имеет большое число отверстий с параллельными осями, то их координацию лучше производить от какого-либо одного отверстия

Размеры пружинных деталей (типа стопорных или установочных колец), которые изображают основными линиями в свободном состоянии, а после изменения первоначальной формы (в рабочем состоянии) — тонкими штрихпунктирными линиями, проставляют на изображении, выполненном штрихпунктирными линиями (рис. 10.16, 10.17).

Размеры пружинных деталей (типа стопорных или установочных колец)

Детали из материалов со специфическими особенностями

Если деталь изготавливают из материала, имеющего определенное направление волокон, основы и т.п. (металлическая лента, ткань, дерево), то на чертеже при необходимости указывают направление (рис. 10.19): а — проката для металла; б — основы для ткани; в — продольного для бумаги; г — волокон для дерева; д — волокон для фанеры.

Деталь изготавливают из материала, имеющего определенное направление волокон, основы

Указания о расположении слоев материала детали, изготавливаемой из текстолита, фибры, гетинакса или другого слоистого материала, при необходимости помещают в технических требованиях (рис. 10.20). Если материал имеет лицевую и оборотную стороны (кожа, некоторые виды пленок и др.), то на чертежах деталей при необходимости на полке линии-выноски указывают лицевую сторону (рис. 10.21).

На чертежах деталей при необходимости на полке линии-выноски указывают лицевую сторону

Детали из прозрачных материалов изображают как непрозрачные. Надписи, цифры, знаки, которые у готовой детали видят с лицевой стороны, а наносят с обратной, изображают как видимые и помещают соответствующие указания в технических требованиях (рис. 10.22).

Детали из прозрачных материалов изображают как непрозрачные

Размеры на чертежах совместно обрабатываемых изделий

Если отдельные элементы изделия необходимо до сборки обработать совместно с другим изделием, для чего их временно соединяют и скрепляют (например, половины корпуса, части картера и т.п.), то на оба изделия выпускают в общем порядке самостоятельные чертежи с указанием на них всех размеров, предельных отклонений, шероховатости поверхности и других необходимых данных.

Размеры с предельными отклонениями элементов, обрабатываемых совместно, заключают в квадратные скобки и в технических требованиях помещают указание: Обработку по размерам в квадратных скобках производить совместно с... (рис. 10.23, а, б).

В сложных случаях при указании размеров, связывающих различные поверхности обоих изделий, рядом с изображением одного из изделий, наиболее полно отражающего условия совместной обработки, помещают полное или частичное упрощенное изображение другого изделия, выполненное сплошными тонкими линиями (рис. 10.23, б).

Размеры с предельными отклонениями элементов, обрабатываемых совместно

Технические требования, относящиеся к поверхностям, обрабатываемым совместно, помещают на том чертеже, где изображены все совместно обрабатываемые изделия. Указания о совместной обработке помещают на всех чертежах совместно обрабатываемых изделий.

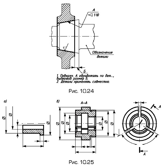
Если отдельные элементы изделия должны быть обработаны по другому изделию и (или) пригнаны к нему, то размеры таких элементов отмечают у изображения знаком * или буквенным обозначением, а в технических требованиях чертежа приводят соответствующие указания (рис. 10.24).

На чертеже изделия, получаемого разрезкой заготовки на части и взаимозаменяемого с любым другим изделием, изготовленным из других заготовок по данному чертежу, изображения заготовки не помещают (рис. 10.25, а).

На изделие, получаемое разрезкой заготовки на части или состоящее из двух (и более) совместно обрабатываемых частей, применяемых только совместно и не взаимозаменяемых с такими же частями другого такого же изделия, разрабатывается один чертеж (рис. 10. 25, б).

На чертеже изделия, получаемого разрезкой заготовки

Размеры на чертежах изделий с дополнительной обработкой

Размеры на чертежах изделий с дополнительной обработкой или переделкой выполняют с учетом следующих требований:

    а) изделие-заготовку изображают сплошными тонкими линиями, а поверхности, получаемые дополнительной обработкой,— сплошными основными линиями;

    б) наносят только те размеры, предельные отклонения и шероховатости поверхности, которые необходимы для дополнительной обработки (рис. 10.26).

Наносят только те размеры, предельные отклонения и шероховатости поверхности, которые необходимы для дополнительной обработки

На таких чертежах можно наносить справочные, габаритные и присоединительные размеры, а также изображать только часть изделия-заготовки, элементы которой дополнительно обрабатывают.

На чертеже детали, изготавливаемой дополнительной обработкой заготовки, в графе 3 основной надписи записывают слово Заготовка и обозначение изделия-заготовки. Изделие-заготовку записывают в соответствующий раздел спецификации. При этом в графе Поз. ставят прочерк. В графе Наименование после наименования изделия-заготовки указывают в скобках: (Заготовка для...).

<<< К началу параграфа                       Окончание параграфа >>>

 

 

???????@Mail.ru