Главная >> Машиностроительное черчение. Инженерная графика. Чекмарев

Чертежи оригинальных деталей

Простановка размеров на элементы деталей (окончание)

Размеры гнутых и других деталей

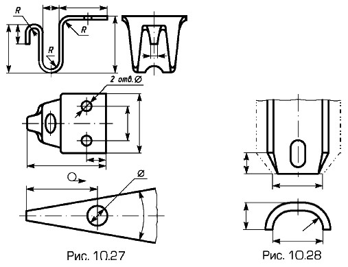
Если форма и размеры всех элементов определены на чертеже готовой детали, то развертку не приводят. Когда изображение детали, изготавливаемой гибкой, не дает полного представления о форме и размерах отдельных ее элементов, на чертеже детали помещают ее полную или частичную развертку. На изображении развертки наносят те размеры, которые невозможно указать на изображении готовой детали. Развертку изображают сплошными основными линиями, толщина которых равна толщине линий видимого контура на изображении детали. При необходимости на изображении развертки наносят линии сгибов, выполняемые штрихпунктирными тонкими линиями с двумя точками, с указанием на полке линии-выноски Линия сгиба. Над изображением развертки наносят знак (рис. 10.27). Не нарушая ясности чертежа, можно совмещать развертку с видом детали. В этом случае развертку изображают штрихпунктирными тонкими линиями с двумя точками и знак не наносят (рис. 10.28).

Размеры гнутых деталей

Размеры деталей, изготовленных гибкой

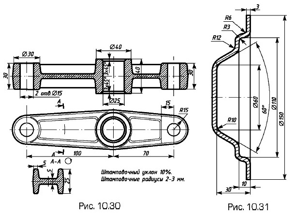
При гибке деталь приобретает форму, которая соответствует форме инструмента. Поэтому размеры следует ставить на внутренний контур детали (рис. 10.29) как для листового материала, так и для прутков. Радиус изгиба труб следует относить к оси трубы (чтобы труба не сплющивалась при загибке, ее предварительно набивают песком).

Размеры деталей, изготовленных гибкой

Размер деталей, изготовленных штамповкой

Размеры на чертежах деталей, изготавливаемых штамповкой, следует проставлять так, чтобы по ним легко можно было изготовить штамп. На рис. 10.30 показан чертеж рычага, заготовка которого — штамповка. При простановке размеров на чертежах деталей, получаемых холодной штамповкой, следует задавать один контур детали, например внутренний, и толщину материала, из которого она изготавливается (рис. 10.31).

Размер деталей, изготовленных штамповкой

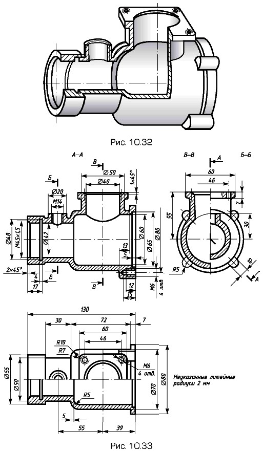
Размеры детали, изготавливаемой литьем

Пример учета особенностей конструкции литой детали при нанесении размеров приведен на рис. 10.33. На рис. 10.32 дано наглядное изображение детали, на рис. 10.34, а изображена литейная модель детали (конические выступы соответствуют таким же выступам на стержне), на рис. 10.34, в — элементарных тел, образующих форму литейной модели, на рис. 10.34, б — литейный стержень (для формообразования внутренней полости).

Размеры детали, изготавливаемой литьем

Пример учета особенностей конструкции литой детали при нанесении размеров

<<< К началу параграфа                       Следующий параграф >>>

 

 

???????@Mail.ru