Главная >> Физика 10 класс. Мякишев

Глава 15. Законы постоянного тока

§ 102. Электрические цепи. Последовательное и параллельное соединения проводников (окончание)

Важно
Обратим внимание на то, что если в какой-то из участков цепи, по которой идёт постоянный ток, параллельно к одному из резисторов подключить конденсатор, то ток через конденсатор не будет идти, цепь на участке с конденсатором будет разомкнута. Однако между обкладками конденсатора будет напряжение, равное напряжению на резисторе, и на обкладках накопится заряд q = CU.

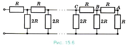
    Рассмотрим цепочку сопротивлений R — 2R, называемую матрицей

Рассмотрим цепочку сопротивлений R — 2R, называемую матрицей (рис. 15.6).

На последнем (правом) звене матрицы напряжение делится пополам из-за равенства сопротивлений, на предыдущем звене напряжение тоже делится пополам, поскольку оно распределяется между резистором сопротивлением R и двумя параллельными резисторами сопротивлениями 2R и т. д. Эта идея — деления напряжения — лежит в основе преобразования двоичного кода в постоянное напряжение, что необходимо для работы компьютеров.

Ключевые слова для поиска информации по теме параграфа.
Параллельное и последовательное соединения резисторов

Вопросы к параграфу

    1. Почему лампы в квартире соединяют параллельно, а лампочки в ёлочных гирляндах — последовательно?

    2. Сопротивление каждого проводника равно 1 Ом. Чему равно сопротивление двух таких проводников, соединённых: 1) последовательно; 2) параллельно?

Образцы заданий ЕГЭ

A1. Сопротивление участка цепи, изображённого на рисунке, равно

    1) 2R0/3 2) 3R0 3) 1,5R0 4) R0/3

A2. Сопротивление участка цепи, изображённого на рисунке, равно

    1) 11 Ом     2) б Ом     3) 4 Ом     4) 1 Ом

A3. Каким будет сопротивление участка цепи, изображённого на рисунке, при замыкании ключа? Каждый из резисторов имеет сопротивление R.

    1) R     2) R/2     3) R/3     4)0

A4. Через участок цепи (см. рис.) идёт постоянный ток. Сила тока I = 8 А. Какую силу тока показывает амперметр? Сопротивление амперметра не учитывайте.

    1) 2 А     2) 3 А     3) 6 А     4) 12 А

<<< К началу

 

 

???????@Mail.ru