Главная >> Машиностроительное черчение. Инженерная графика. Чекмарев

Разработка рабочей документации

Выполнение основного комплекта конструкторских документов изделия

Виды и комплектность конструкторских документов установлены ГОСТ 2.102—68. При этом к конструкторским документам относят графические и текстовые документы, которые в отдельности или в совокупности определяют состав и устройство изделия и содержат необходимые данные для его разработки или изготовления, контроля, приемки, эксплуатации и ремонта.

Завершающей стадией разработки конструкторской документации является разработка рабочей документации для изготовления опытного образца или опытной партии изделий и проведения их испытаний. По результатам испытаний документацию корректируют и изготавливают по ней установочную серию изделий.

Конструкторские документы подразделяют на следующие виды:

  • чертежи детали: 1) сборочный, в том числе для выполнения гидромонтажных и пневмомонтажных работ; 2) общего вида; 3) теоретический, определяющий геометрические размеры изделия и координаты расположения составных частей; 4) габаритный; 5) электромонтажный; 6) монтажный, содержащий контурное (упрощенное) изображение изделия, а также данные, необходимые для его установки (монтажа) на месте применения; 7) упаковочный;
  • схема — документ, на котором показаны в виде условных изображений или обозначений составные части изделия и связи между ними;
  • спецификация — документ, определяющий состав сборочной единицы, комплекса или комплекта;
  • ведомости: 1) спецификаций; 2) ссылочных документов; 3) покупных изделий; 4) согласования применяемости покупных изделий; 5) держателей подлинников, т.е. тех предприятий, на которых хранятся подлинники документов, примененных в данном изделии; 6) технического предложения; 7) эскизного проекта; 8) технического проекта;
  • пояснительная записка, содержащая описание устройства и принципа действия разрабатываемого изделия, а также обоснование принятых при его разработке технических и технико-экономических решений;
  • технические условия, содержащие требования (совокупность всех показателей, норм, правил и положений) к изделию, его изготовлению, контролю, приемке и поставке, которые нецелесообразно указывать в других документах;
  • программа и методика испытаний, а также другие документы (таблицы, расчеты, эксплуатационные и ремонтные документы, патентный формуляр, карта технического уровня и качества изделия, инструкция).

В зависимости от стадии разработки изделия подразделяются на проектные (техническое предложение, эскизный проект и технический проект) и рабочие (рабочая документация). В проектной документации обязательными документами являются:

  • на этапе технического предложения — ведомость технического предложения и пояснительная записка;
  • на этапе эскизного проекта — ведомость эскизного проекта и пояснительная записка;
  • на этапе технического проекта — чертеж общего вида (см. гл. 12), ведомость технического проекта и пояснительная записка.

На этих этапах не разрабатывают сборочные, монтажные и упаковочные чертежи, спецификации, ведомости спецификаций, ссылочных документов и держателей подлинников, эксплуатационные и ремонтные документы. Остальные документы могут разрабатываться в зависимости от характера, назначения и условий производства. Чертежи деталей могут разрабатываться на этапе технического проекта.

При определении комплексности конструкторских документов различают:

  • основной конструкторский документ (для деталей это чертеж детали, для сборочных единиц, комплексов и комплектов — это их спецификация);
  • основной комплект конструкторских документов;
  • полный комплект конструкторских документов.

Основной комплект конструкторских документов изделия объединяет конструкторские документы, относящиеся ко всему изделию (составленный на все данное изделие в целом), например сборочный чертеж, принципиальная электрическая схема, технические условия, эксплуатационная документация. Конструкторские документы составных частей (деталей, входящих в изделие сборочных единиц) в основной комплект документов изделия не входят.

Полный комплект конструкторских документов изделия составляют (в общем случае) из следующих документов:

  • основного комплекта конструкторских документов на данное изделие;
  • основных комплектов конструкторских документов на все составные части данного изделия, примененные по своим основным конструкторским документам.

Пример полного комплекта конструкторских документов комплекса приведен на рис. 13.1. Основной конструкторский документ изделия показан в овале. Документы основного комплекта показаны в прямоугольниках (в примере на рис. 13.1 показана часть таких документов). Документы, обведенные в двойные рамки, предусматриваются только для изделий, предназначенных для самостоятельной поставки. Число ступеней входимости для комплексов, сборочных единиц и комплектов, а также число входящих комплексов, сборочных единиц, комплектов и деталей не ограничивается.

Пример полного комплекта конструкторских документов комплекса

Рассмотрим выполнение сборочных чертежей и основного комплекта конструкторской документации на примере специального вентилятора.

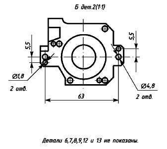
Чертеж общего вида вентилятора (проектная документация технического проекта) приведен на рис. 13.2, таблица составных частей для удобства чтения оформлена отдельно на рис. 13.3. Воздух в корпус 1 вентилятора поступает через отверстие диаметром 21 мм в крышке 2 и выдувается через трубку 6 с выходным диаметром 12 мм. Поток воздуха создается крыльчаткой 3, вращающейся в двух радиально-упорных шарикоподшипниках 14, закрепленных в корпусе 1. От внешнего привода крыльчатка вращается через зубчатое колесо 10, закрепленное на оси ступицы 3 крыльчатки штифтом 15. При установке вентилятора его крепят через два отверстия диаметром 4,8 мм в выступах крышки 2 и через два отверстия ∅ 1,8 мм — под штифты. Прокладка 9 из губчатой резины обеспечивает герметизацию соединения трубки с воздуховодом.

Чертеж общего вида вентилятора

Чертеж общего вида вентилятора (продолжение)

Чертеж общего вида вентилятора (окончание)

Таблица составных частей для чтения

Окончание параграфа >>>

 

 

???????@Mail.ru